EasyManua.ls Logo

Toa A-9060DH - Control Outputs 1 - 4

Toa A-9060DH
136 pages
Print Icon
To Next Page IconTo Next Page
To Next Page IconTo Next Page
To Previous Page IconTo Previous Page
To Previous Page IconTo Previous Page
Loading...
92
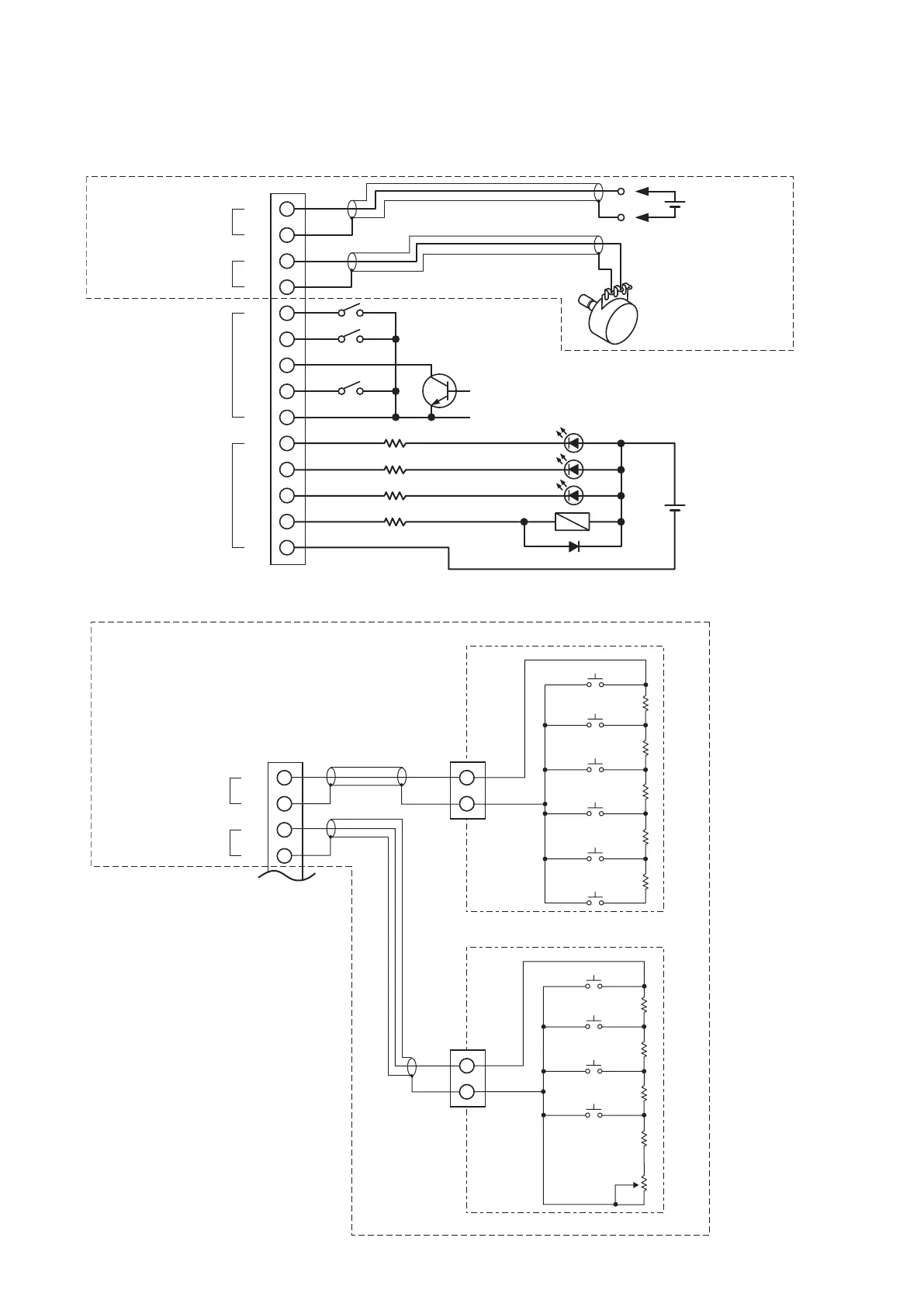
16.1.3. Control outputs 1 – 4
Use these terminals to activate LEDs, relays, and other external equipment.
Maximum operating current is 50 mA, and the maximum applicable voltage is +27 V.
REMT VOL1
(Remote volume 1)
REMT VOL2
(Remote volume 2)
IN
(Control inputs)
OUT
(Control outputs)
IN
E
IN
E
1
2
3
4
E
1
2
3
4
E
DC voltage
0 to 10 V
Applicable DC voltage
Max. 27 V DC
LEDs, Relays, etc. (Max. 50 mA)
or
Voltage control
10 kΩ (linear-taper)
Contact closures,
Open collectors, etc.
(Open voltage: 3.3 V, Max. 1 mA)
(When a variable resistor or variable DC power supply unit is connected)
REMT VOL1
(Remote volume 1)
REMT VOL2
(Remote volume 2)
IN
E
IN
E
OUT
ZM-9001
E
1
2
3
4
5
6
1
2
3
4
Volume control
ZM-9002
OUT
E
(When the ZM-9001 or ZM-9002 is connected)
Note
One ZM-9001 or one ZM-9002
can be connected to each of the
REMT VOL1 and 2 terminals.

Table of Contents

Other manuals for Toa A-9060DH

Related product manuals