EasyManua.ls Logo

Toa A-9060DH - 1-Channel Output Operation; 2-Channel Output Operation (Bgm;Paging Operation)

Toa A-9060DH
136 pages
Print Icon
To Next Page IconTo Next Page
To Next Page IconTo Next Page
To Previous Page IconTo Previous Page
To Previous Page IconTo Previous Page
Loading...
26
8.1.2. 1-channel output operation
This operation method can be selected when the A-9060S, A-9120S, or A-9240SH Amplifier without T-001T
Audio Output Expansion module installed is used. Audio signals are delivered only at the amplifier's output
channel 1. Paging calls and BGM broadcasts are made on the basis of the priority levels set for input
channels. In conjunction with the optional ZP-001T Zone Paging module and the optional SS-9001 Speaker
Selector, the output channel 1's signals can be distributed to 4 zones.
A-9060S/9120S/9240SH
SP OUT (70 V)
IN 1
IN 2
CTRL IN
ZP-001T
OUT 1
OUT 2
OUT 3
OUT 4
ZONE 1
ZONE 4
SS-9001
ZONE 2
ZONE 3
OUTPUT 1
(State where relays for ZONE 1 and 4 are activated)
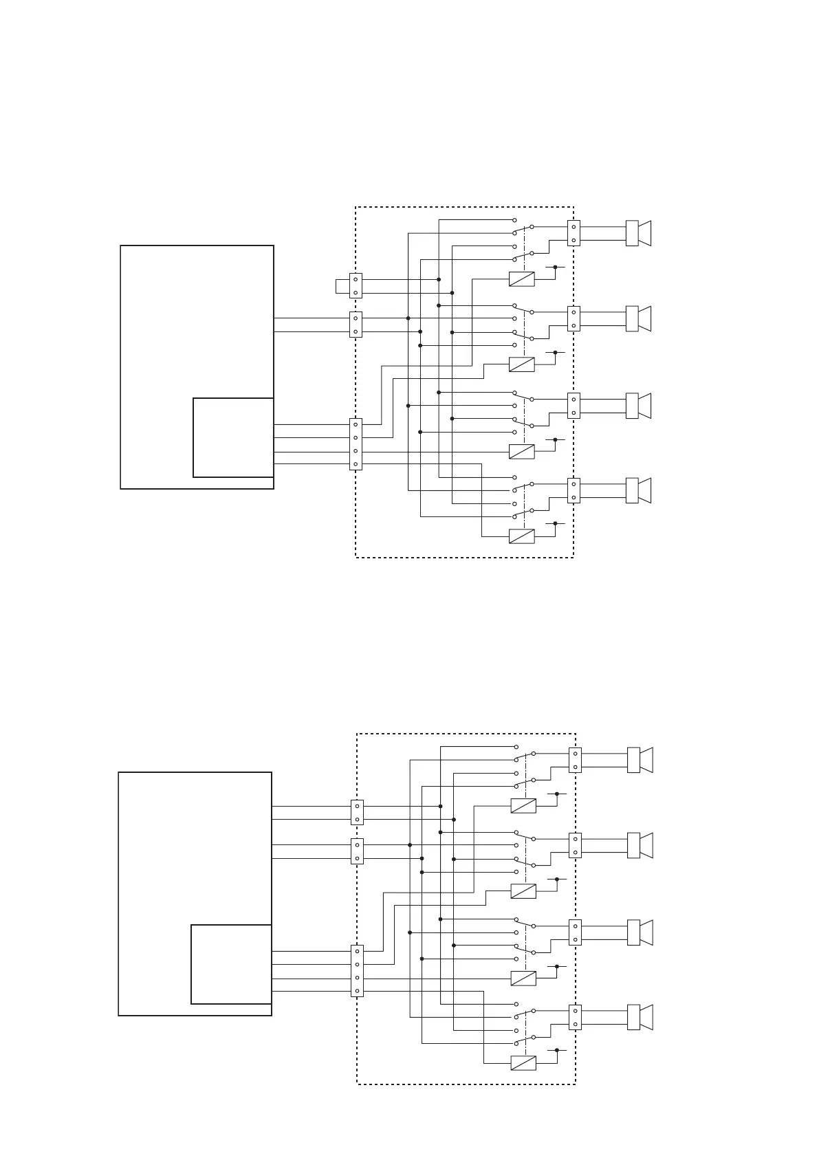
8.1.3. 2-channel output operation (BGM/Paging operation)
This operation method can be selected when the A-9060DH or A-9120DH Amplifier with ZP-001T Zone
Paging module but without T-001T Audio Output Expansion module installed is used. BGM broadcasts*
1
are
delivered at the amplifier's output channel 1 and priority broadcasts*
2
at the output channels 2. Priority
broadcasts are based on the priority levels set for input channels. BGM broadcasts are always made to all
zones as long as no priority broadcasts are made.
A-9060DH/9120DH
SP OUT 1 (70 V)
Output for BGM broadcasts
SP OUT 2 (70 V)
Output for priority broadcasts
ZP-001T
OUT 1
OUT 2
OUT 3
OUT 4
ZONE 1
ZONE 4
SS-9001
ZONE 2
ZONE 3
OUTPUT 1
OUTPUT 2
IN 1
IN 2
CTRL IN
(State where relays for ZONE 1 and 4 are activated)
*
1
Broadcasts from the input channels set
for Priority level 8. (
P. 44-A12)
*
2
Broadcasts from the input channels set
for Priority levels 1 to 7. (
P. 44-A12)

Table of Contents

Other manuals for Toa A-9060DH

Related product manuals