EasyManua.ls Logo

Toro 04357 - Page 45

Toro 04357
48 pages
Print Icon
To Next Page IconTo Next Page
To Next Page IconTo Next Page
To Previous Page IconTo Previous Page
To Previous Page IconTo Previous Page
Loading...
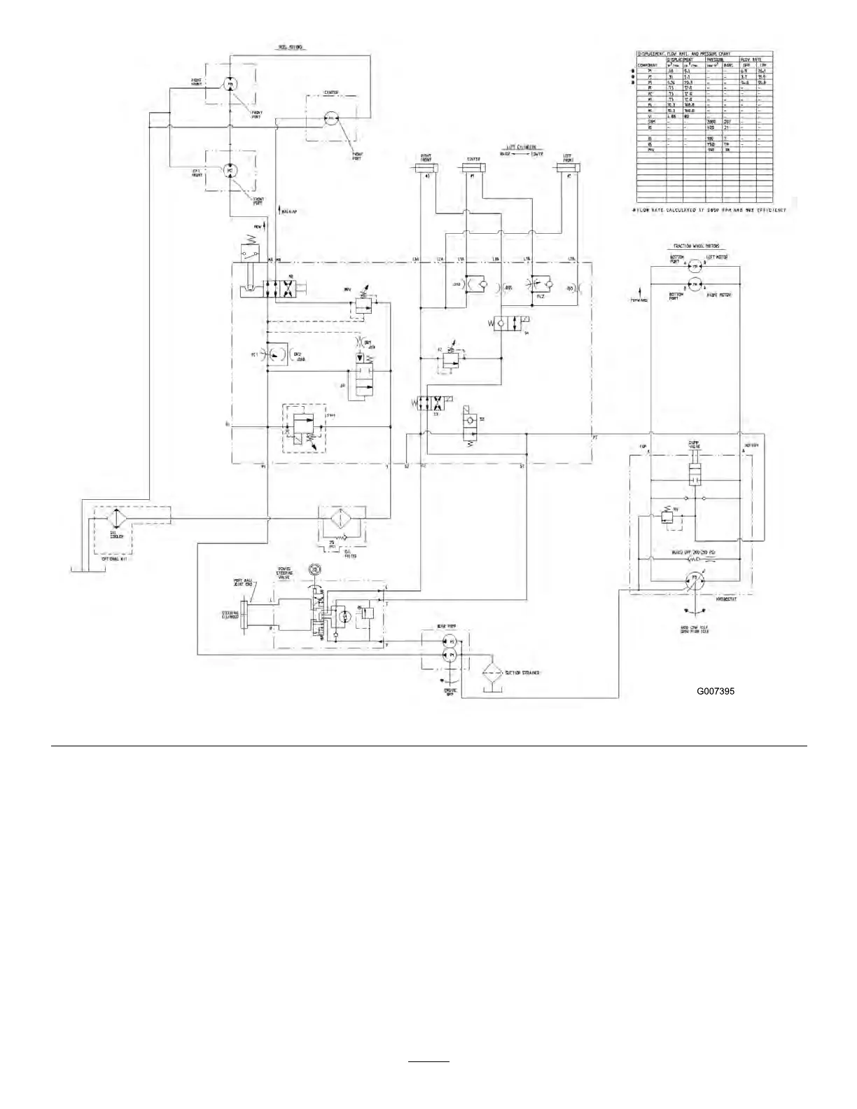
HydraulicSchematic(Rev.A)
45

Table of Contents

Related product manuals