EasyManua.ls Logo

Toro 30447N - Page 65

Toro 30447N
68 pages
Print Icon
To Next Page IconTo Next Page
To Next Page IconTo Next Page
To Previous Page IconTo Previous Page
To Previous Page IconTo Previous Page
Loading...
g017784
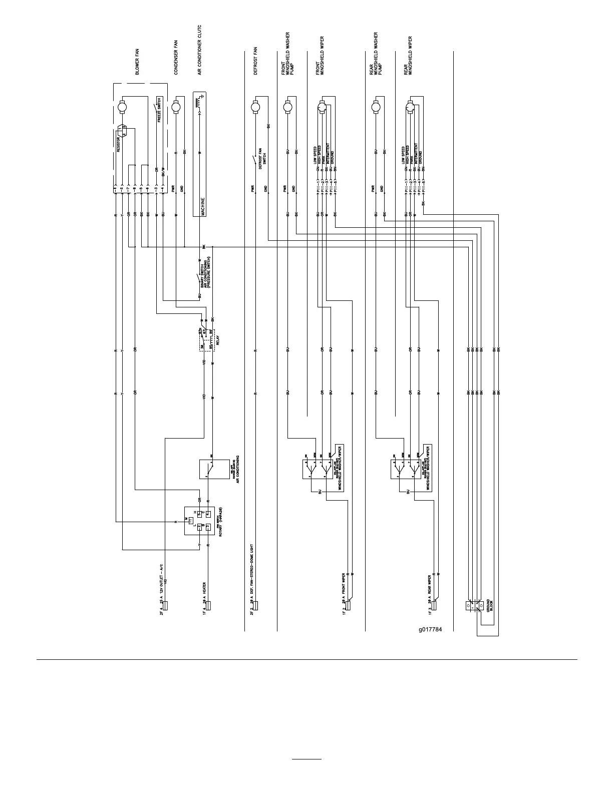
ElectricalSchematic,GM4110Cab(Rev.D)
65

Table of Contents

Related product manuals