EasyManua.ls Logo

TR-Electronic CES-65 - Ssi

TR-Electronic CES-65
Print Icon
To Next Page IconTo Next Page
To Next Page IconTo Next Page
To Previous Page IconTo Previous Page
To Previous Page IconTo Previous Page
Loading...
Printed in the Federal Republic of Germany TR-Electronic GmbH 2007, All Rights Reserved
02/23/2017 TR - ECE - BA - DGB - 0060 - 05 Page 11 of 131
3.2 SSI
Das SSI-Verfahren ist ein synchron-serielles Übertragungsverfahren für die Mess-
System-Position. Durch die Verwendung der RS422 Schnittstelle zur Übertragung
können ausreichend hohe Übertragungsraten erzielt werden.
Das Mess-System erhält vom Datenempfänger (Steuerung) ein Taktbüschel und
antwortet mit dem aktuellen Positionswert, der synchron zum gesendeten Takt seriell
übertragen wird.
Weil die Datenübernahme durch den Büschelanfang synchronisiert wird, ist es nicht
notwendig, einschrittige Codes wie z.B. Graycode zu verwenden.
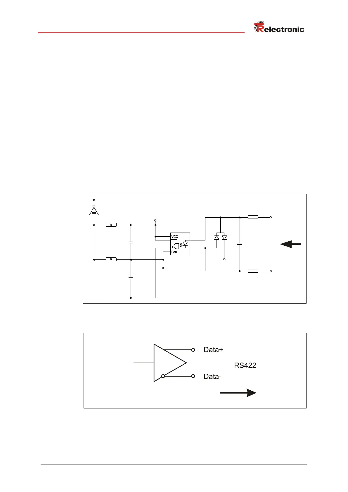
Die Datensignale Daten+ und Daten werden mit Kabelsendern (RS422) gesendet.
Zum Schutz gegen Beschädigungen durch Störungen, Potentialdifferenzen oder
Verpolen werden die Taktsignale Takt+ und Takt- mit Optokopplern empfangen.
Zur Erkennung von fehlerhaften Übertragungen können Parities oder Prüfsummen
hinzugefügt werden. Als einfachste Maßnahme ist auch die doppelte Einlesung
möglich, bei der die Datenbits nach jeweils 26 Takten eines Büschels wiederholt
werden. Von Nachteil ist aber die stark erhöhte Übertragungsdauer.
SSI-Clock+
SSI-Clock-
65
65
2.2 nF
N.C.
GND
+5V
C
C
BAV99
Opto-Koppler
Abbildung 1: SSI Prinzip-Eingangsschaltung
Abbildung 2: SSI-Ausgangsschaltung

Table of Contents

Related product manuals