EasyManua.ls Logo

TR-Electronic CES-65 - Ssi

TR-Electronic CES-65
Print Icon
To Next Page IconTo Next Page
To Next Page IconTo Next Page
To Previous Page IconTo Previous Page
To Previous Page IconTo Previous Page
Loading...
Printed in the Federal Republic of Germany TR-Electronic GmbH 2007, All Rights Reserved
02/23/2017 TR - ECE - BA - DGB - 0060 - 05 Page 77 of 131
3.2 SSI
The SSI procedure is a synchronous serial transmission procedure for the measuring
system position. By using the RS422 interface for transmission, sufficiently high
transmission rates can be achieved.
The measuring system receives a clock sequence from the control and answers with
the current position value, which is transmitted serially and is synchronous to sent
clock.
Since the data transfer is synchronized by the start of the sequence, it is not
necessary to use single-step codes such as Gray code.
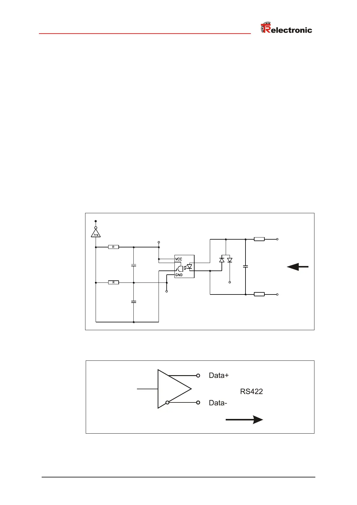
The data signals Data+ and Data are transmitted by means of cable transmitters
(RS422). The clock signals Clock+ and Clock are received by means of optocouplers
to protect them from damage resulting from interference, potential differences, or
polarity reversal.
Parity bits or checksums can be added to detect faulty transmissions. The simplest
measure is to read in the values twice with the data bits being repeated after 26 clock
pulses of a sequence. However, this has the disadvantage of considerably increasing
transmission times.
SSI-Clock+
SSI-Clock-
65
65
2.2 nF
N.C.
GND
+5V
C
C
BAV99
Optocoupler
Figure 1: SSI Principle input circuit
Figure 2: SSI Output circuit

Table of Contents

Related product manuals