EasyManua.ls Logo

Trane RTHD - Page 66

Trane RTHD
184 pages
Print Icon
To Next Page IconTo Next Page
To Next Page IconTo Next Page
To Previous Page IconTo Previous Page
To Previous Page IconTo Previous Page
Loading...
66 RTHD-SVX01D-EN
Installation Electrical
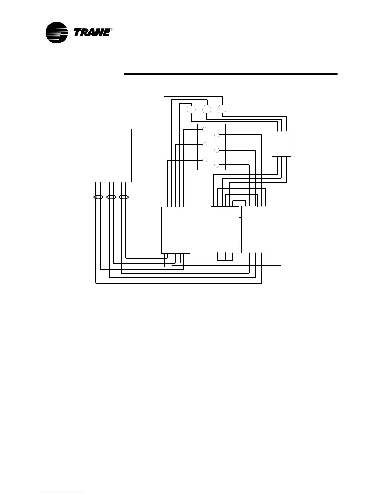
Figure 20 Y-D Starter Panel Power Wire Routing
1 K 1 1 K 3
1 K 2
1 K 4
T 1
T 6
T 2
T 4
T 3
T 5
M a i n
P o w e r
T o C o n t r o l s
1 2
3
B B
B
A
A A
M A M A
M A
3
2 1
1 1
9 7
B B
B
A
A A
1 1 B
9 B 7 B
4 A
5 A
6 A
8 C
1 0 C 1 2 C
C B
C B
C B
8
1 0
1 2
B A
A B
A B
1 2
1 0
8
7 A
9 A
1 1 A
8 A
1 0 A
1 2 A
1 M
2 M
3 M
3 B
2 B 1 B
C T ' s

Table of Contents

Other manuals for Trane RTHD

Related product manuals