EasyManua.ls Logo

Trane RTHD - Page 81

Trane RTHD
184 pages
Print Icon
To Next Page IconTo Next Page
To Next Page IconTo Next Page
To Previous Page IconTo Previous Page
To Previous Page IconTo Previous Page
Loading...
RTHD-SVX01D-EN 81
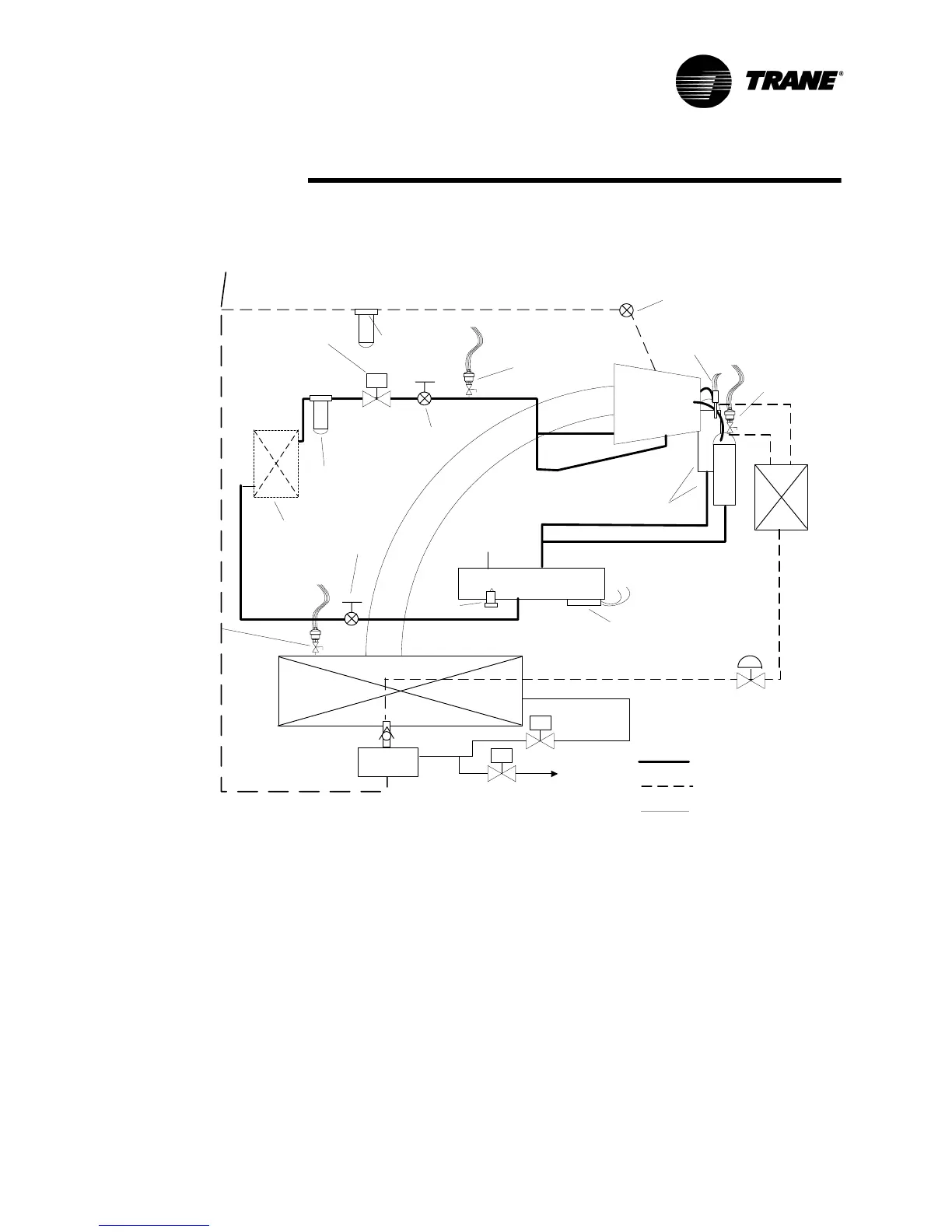
Operating Principles Mechanical
Oil that collects in the oil tank sump is at condensing pressure during com-
pressor operation; therefore, oil is constantly moving to lower pressure areas.
Oil Flow Protection
Oil flowing through the lubrication circuit flows from the oil sump to the com-
pressor (see Figure 25). As the oil leaves the sump, it passes through a ser-
vice valve, an oil cooler (if used), oil filter, master solenoid valve, and another
service valve. Oil flow then splits into two distinct paths, each performing a
separate function: (1) bearing lubrication and cooling, and (2) compressor oil
injection.
Oil flow and quality is proven through a combination of a number of sensors,
most notably a pressure transducer and the optical oil level sensor.
Figure 25 Oil Flow Diagram
Evaporator
Pressure
Transducer Pe
Evaporator
RTHD Oil System
Oil Filter
Optional Oil
Cooler
Oil Heaters
Master Oil Line
Solenoid
Oil Separators
Oil Sump
Vent to
Condenser
To Bearings
Injection to
Rotors
Oil Return
Gas Pump
Vent Line
To Condenser
Pressure
Oil/Refrigerant
Mixture
Oil Recovery
Fill Solenoid
Valve
Drain Solenoid
Valve
Liquid/Vapor
Refrigerant Mixture
Condenser
EXV
Primary Oil System
Refrigerant & Oil
Mixture-Oil Recovery
System
Manual
Service
Valve
Optical Oil
Detector
Oil Pressure
Transducer
Condenser
Pressure
Transducer
Other
Oil Return Filter
restrictor
Compressor
Compressor
Discharge
Temperature
Sensor
Manual
Service
Valve

Table of Contents

Other manuals for Trane RTHD

Related product manuals