EasyManua.ls Logo

UES perfectMelt - Tank Board Item: 133511

UES perfectMelt
61 pages
Print Icon
To Next Page IconTo Next Page
To Next Page IconTo Next Page
To Previous Page IconTo Previous Page
To Previous Page IconTo Previous Page
Loading...
UES AG · Breuershofstr. 48 · 47807 Krefeld · Germany
Tel.: 0049-2151-72950 · Fax: 0049-2151-729578 · info@ues-ag.net · www.ues-ag.net
48
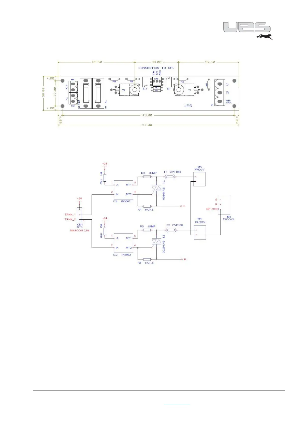
Tank board item: 133511

Other manuals for UES perfectMelt

Related product manuals