EasyManua.ls Logo

VAMP 220 - Master Unit Relay Setting Examples

Default Icon
68 pages
Print Icon
To Next Page IconTo Next Page
To Next Page IconTo Next Page
To Previous Page IconTo Previous Page
To Previous Page IconTo Previous Page
Loading...
VAMP Ltd Arc protection system
User manual
VAMP 220 / 220R
VM220.EN004 Vamp 24h support phone : +358 (0)40 573 6316
49
TRIP
ARC / OC active signals
I>
L>
L>
I>
TR1
SW5
from Slave
3 x
t
80ms
100ms
150ms
Lb>
Ia>
&
Ib>
LL
L
Tem p A la rm
La>
Lc>
L
I>
LOC
L>
LOC
TRIP 2
TRIP 3
Tem p Al/ TR IP 4
TRIP 1
SW1
SW2
SW3
>1
T1
T2
T3
T3
T2
T1
>1
SW7
SW8
1
1
TR loc
0ms
>1
SW6
int.sw.
SW4
L
TRIP
TR1
TR2
TR3
TR4
TR1 -> TR2
TR1 -> TR3
Temp / TR4
All / TR4
Latch
off on
1
2
3
4
5
6
7
8
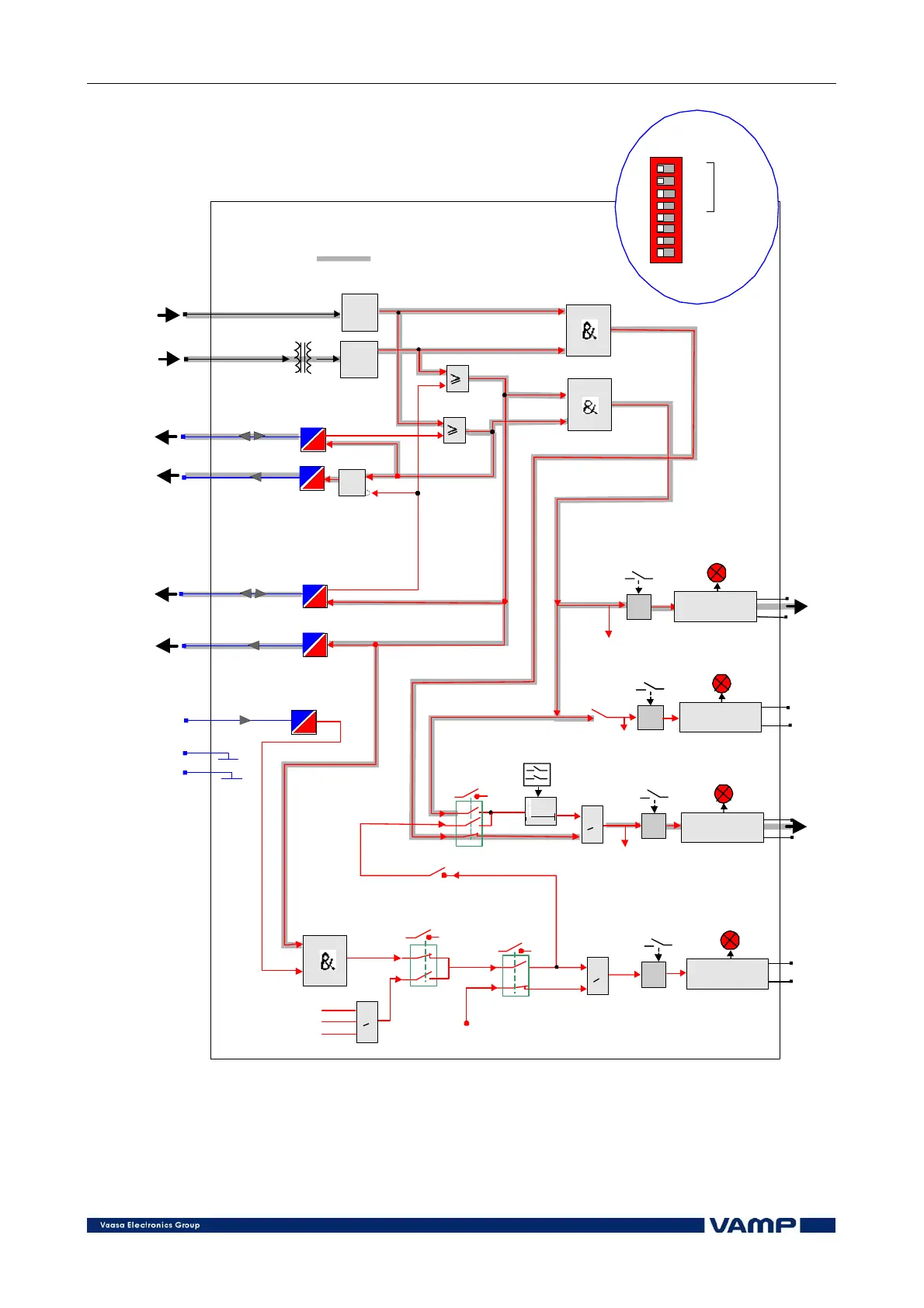
Figure 6.6-2 Relay setting example.

Table of Contents

Related product manuals