EasyManua.ls Logo

Viessmann VITOCELL 100-U - Version 3 - Cylinder Loading System with Several Vitocell 100-L in Parallel and Vitotrans 222 for Constant Flow Temperatures

Viessmann VITOCELL 100-U
56 pages
Print Icon
To Next Page IconTo Next Page
To Next Page IconTo Next Page
To Previous Page IconTo Previous Page
To Previous Page IconTo Previous Page
Loading...
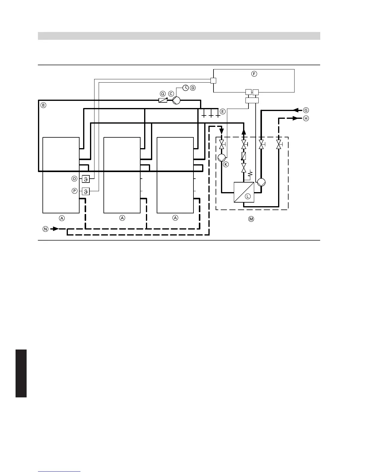
Version 3 — cylinder loading system with several Vitocell 100-L in parallel and Vitotrans 222 for constant
flow temperatures
A
Vitocell 100-L (here: 500 l capacity)
B
DHW circulation pipe
C
DHW circulation pump
D
Time switch
E
Draw-off points (DHW)
F
Junction box (on-site)
G
Heating water flow
H
Heating water return
K
Cylinder loading pump (secondary), highly efficient
L
Plate heat exchanger
M
Vitotrans 222 heat exchanger set
N
Common cold water connection with safety assembly to
DIN 1988
O
Upper temperature controller (ON)
P
Lower temperature controller (OFF)
Q
Spring-loaded check valve
Note
Establish cold water connection
N
with a tee with straight flow to the
cold water connection of the Vitocell-L. Always make the cold water
connection to the Vitotrans 222 as a tee branch.
Due to the necessary high flow temperatures of the heat source, never
use a directly connected heating circuit without mixer.
Installation — cylinder loading system
(cont.)
42
VIESMANN
DHW heating
7
5414 646 GB

Table of Contents

Other manuals for Viessmann VITOCELL 100-U

Related product manuals