EasyManua.ls Logo

Viessmann VITOCELL 100-U - Connections; Connection on the DHW Side of the Vitotrans 222 (Accessories) in Conjunction with a Vitocell 100-L

Viessmann VITOCELL 100-U
56 pages
Print Icon
To Next Page IconTo Next Page
To Next Page IconTo Next Page
To Previous Page IconTo Previous Page
To Previous Page IconTo Previous Page
Loading...
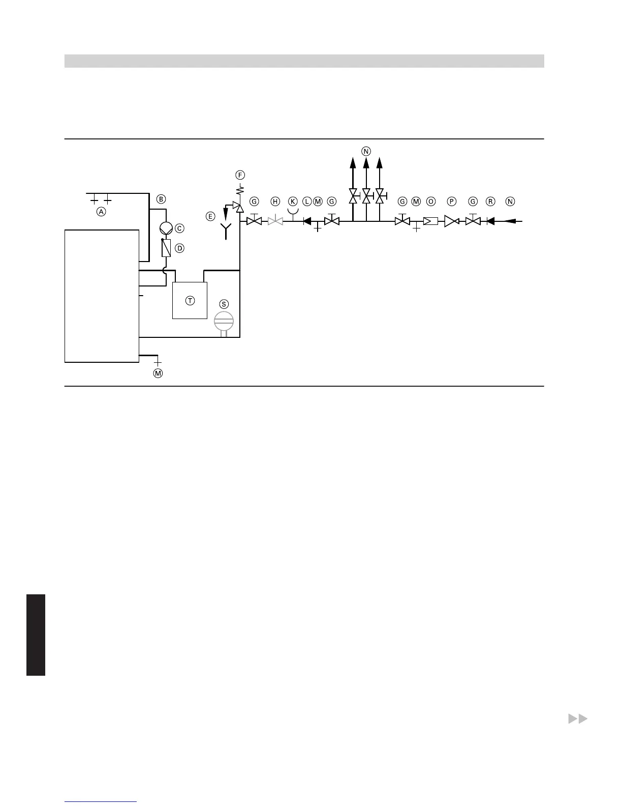
7.2 Connections
Connection on the DHW side of the Vitotrans 222 (accessories) in conjunction with a Vitocell 100-L
(connection to DIN 1988)
A
Draw-off points (DHW)
B
DHW circulation pipe
C
DHW circulation pump
D
Spring-loaded check valve
E
Visible discharge pipe outlet point
F
Safety valve
G
Shut-off valve
H
Flow regulating valve
K
Pressure gauge connection
L
Non-return valve
M
Drain
N
Cold water
O
Drinking water filter
P
Pressure reducer
R
Non-return valve/pipe separator
S
Diaphragm expansion vessel, suitable for DHW
T
Vitotrans 222
Note
The pipework downstream of the Vitotrans 222 (in flow direction)
must not be made from zinc-plated steel pipes.
Establish the cold water connection with a tee with straight flow to
the cold water connection of the Vitocell-L. Always make the cold
water connection to the Vitotrans 222 as a tee branch.
The safety valve underneath the Vitotrans 222 does not replace the
safety valve of the safety assembly to DIN 1988.
The following are part of the safety assembly according to DIN
1988:
Shut-off valves
Drain valve
Pressure reducer
Install this device if the pressure in the pipework at the connection
point exceeds 80 % of the safety valve response pressure.
It is advisable to install the pressure reducer immediately down-
stream of the water meter. This creates nearly the same pressures
in the entire DHW system, which is thereby protected against over-
pressure and water hammer.
According to DIN 4109, the static pressure of the water supply sys-
tem after distribution over the various floors upstream of the fittings
should not be higher than 5 bar (0.5 MPa).
Safety valve
The system must be equipped with a type-tested diaphragm safety
valve as protection against overpressure.
Permiss. operating pressure: 10 bar (1 MPa)
The connection diameter of the safety valve must be as follows:
for 500 to 1000 l cylinder capacity at least R ¾ (DN 20), max. heat
input 150 kW
between 1000 and 5000 l cylinder capacity at least R 1 (DN 25),
max. heat input 250 kW
Install the safety valve in the cold water pipe. Ensure the safety valve
cannot be shut off from the DHW cylinder. There must be no restric-
tions in the pipework between the safety valve and the DHW cylinder.
Never seal off the safety valve discharge pipe. Ensure that any
expelled water is safely and visibly drained into a sewer. Position a
sign close to the safety valve discharge pipe, or ideally on the safety
valve itself, with the following inscription:
"For safety reasons, water may be discharged from the discharge
pipe during heating. Never seal off."
Install the safety valve above the top edge of the DHW cylinder.
Non-return valve
This prevents system water and heated water from flowing back into
the cold water pipe or into the mains water supply.
Pressure gauge
Provide a connection for a pressure gauge.
Installation — cylinder loading system
(cont.)
44
VIESMANN
DHW heating
7
5414 646 GB

Table of Contents

Other manuals for Viessmann VITOCELL 100-U

Related product manuals