EasyManua.ls Logo

Vitronics Soltec XPM3m - Power Distribution Overview

Vitronics Soltec XPM3m
108 pages
Print Icon
To Next Page IconTo Next Page
To Next Page IconTo Next Page
To Previous Page IconTo Previous Page
To Previous Page IconTo Previous Page
Loading...
Technical Reference Manual-XPM3m Revision Date: August 2014
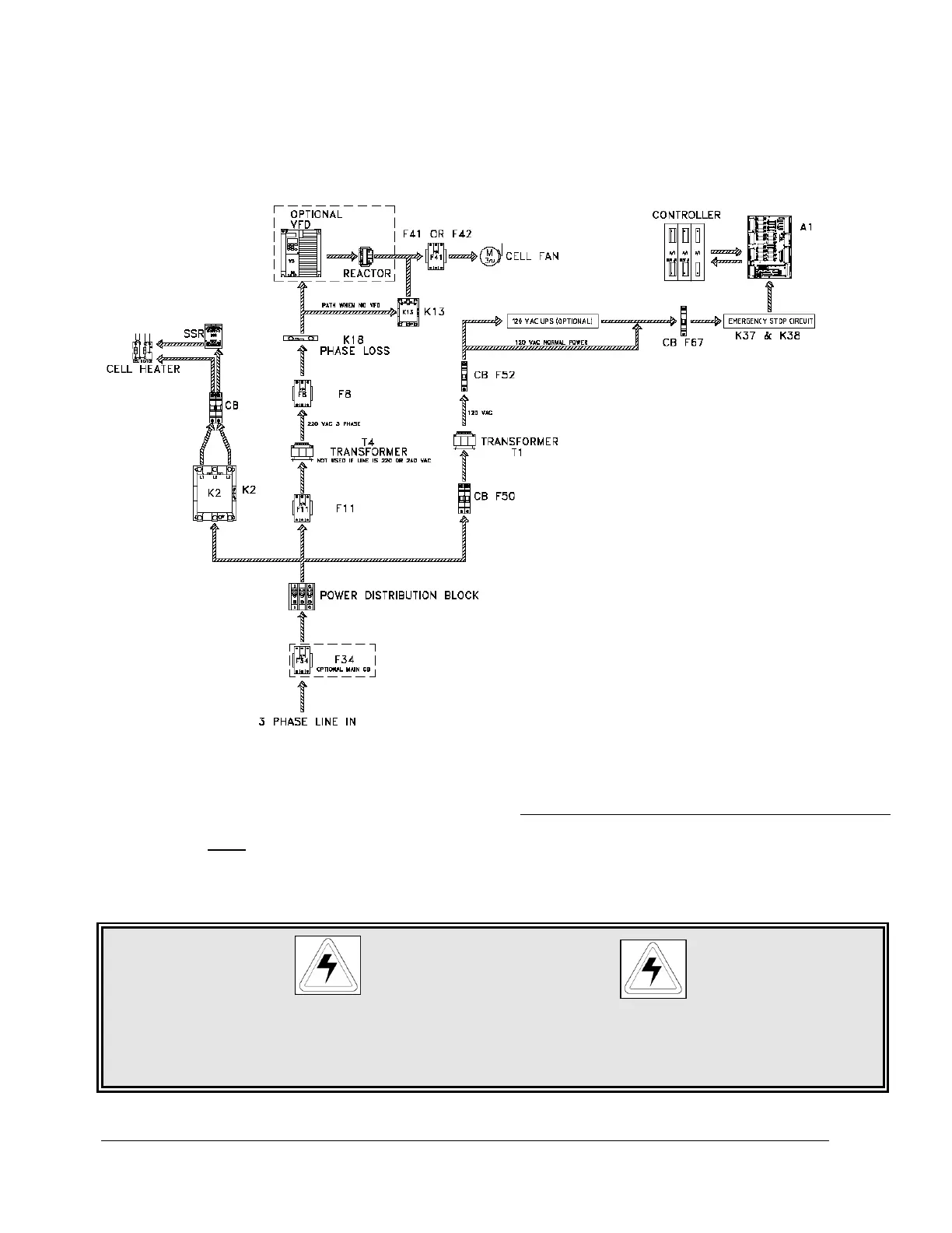
POWER DISTRIBUTION OVERVIEW
3-phase power supplied to the High Voltage terminals on the electrical panel is distributed to:
1) The primary terminals on the Control Transformer (T1), the secondary side of T1 is connected to the
line side of the E-stop relay (K37). T1 provides 120VAC for ALL control functions throughout the oven.
2) The line terminals of the Heater Contactor (K2),
3) To either the line terminals of the Fan Contactor (K13), the primary side of the INVERTER (if the oven
has the Fan Speed Control Option), or the three phase Fan transformer (if the three phase supply
voltage is higher than 240 volts).
CAUTION
REMEMBER, WHEN THE OVEN IS “OFF”, MANY PARTS OF THE OVEN MAY BE ELECTRICALLY
POWERED AND DANGEROUS

Table of Contents

Related product manuals