EasyManua.ls Logo

Weiler E1250 - SECTION 5 - SCHEMATICS; HYDRAULIC SCHEMATICS

Weiler E1250
62 pages
Print Icon
To Next Page IconTo Next Page
To Next Page IconTo Next Page
To Previous Page IconTo Previous Page
To Previous Page IconTo Previous Page
Loading...
5-1
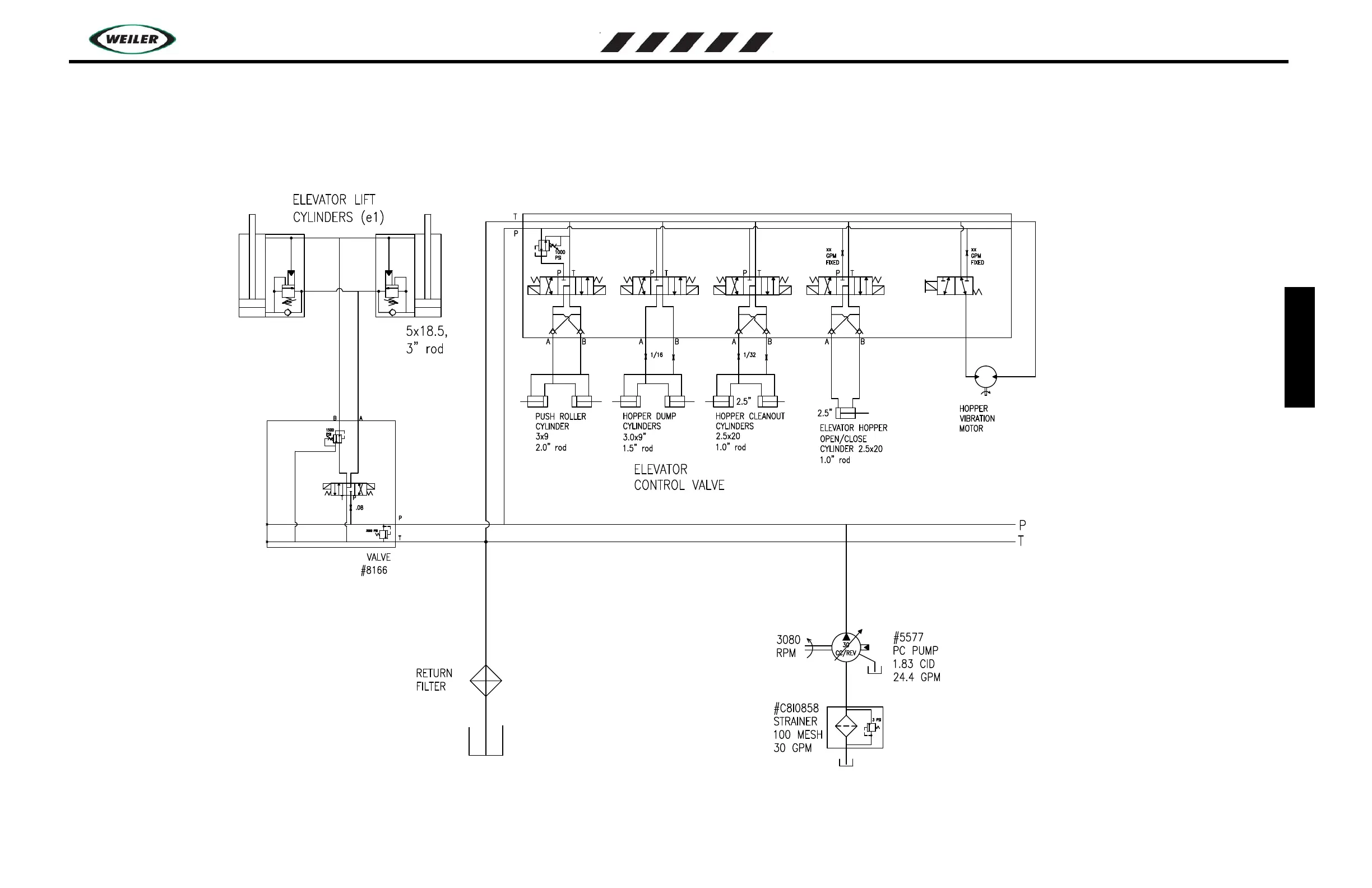
Schematics
5
WEILER E1250
HYDRAULIC SCHEMATIC