EasyManua.ls Logo

Westen Pulsar E - Page 173

Westen Pulsar E
Print Icon
To Next Page IconTo Next Page
To Next Page IconTo Next Page
To Previous Page IconTo Previous Page
To Previous Page IconTo Previous Page
Loading...
173
S E C T I O N F
7113126.02 (3-08/13)
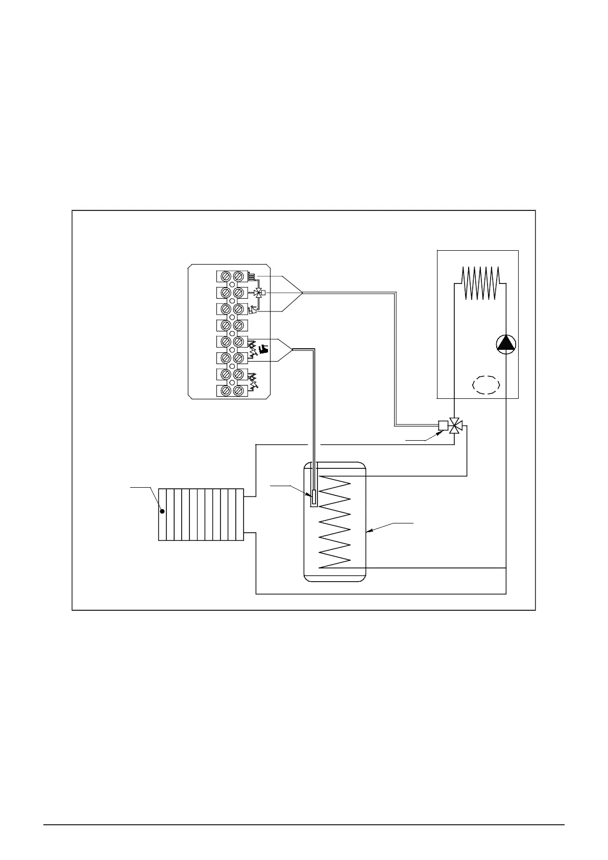
CG_2518
M
M2
A
D
C
E
B
F
G
A
ext.

Table of Contents

Related product manuals