EasyManua.ls Logo

WinGD X92-B - Turbocharger Cut out Procedure: Illustration 2

WinGD X92-B
460 pages
Print Icon
To Next Page IconTo Next Page
To Next Page IconTo Next Page
To Previous Page IconTo Previous Page
To Previous Page IconTo Previous Page
Loading...
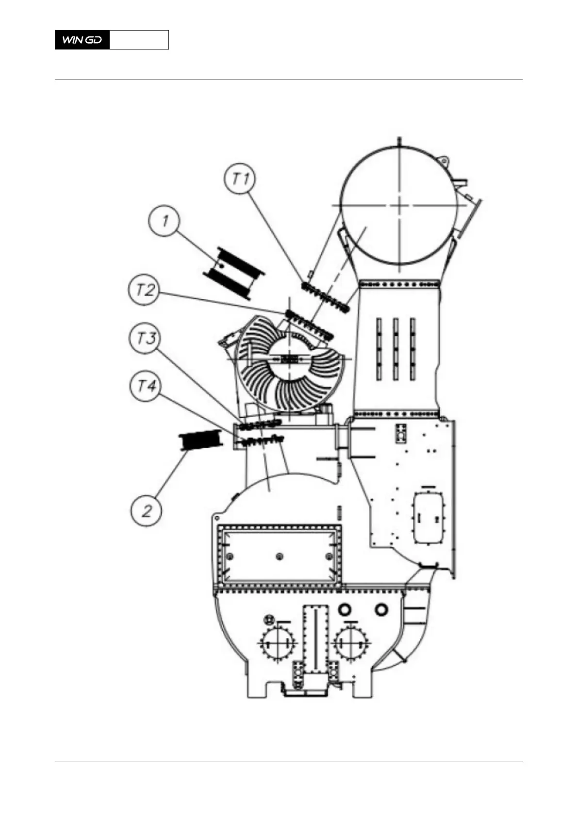
Fig 10-20 Turbocharger cut out procedure: Illustration 2
X92-B
AA00-0000-00AAB-100A-A
Operation Manual Special running condition: Turbocharger cut out
Winterthur Gas & Diesel Ltd.
- 406 - Issue 002 2021-11

Table of Contents

Related product manuals