EasyManua.ls Logo

Worcester 25/32 - Page 28

Worcester 25/32
77 pages
Print Icon
To Next Page IconTo Next Page
To Next Page IconTo Next Page
To Previous Page IconTo Previous Page
To Previous Page IconTo Previous Page
Loading...
N1 1 2 3 4 5 6
7 8 9
10
1 2 3 4 5 6
1 2 3 4 5 6
A
B
C
F
D
G
H
J
K
L
M
Riello Burner
Green/Yellow
Green/Yellow
Green/Yellow
Blue
Brown
Blue
White
Grey
Brown
Brown
Grey
Blue
Black
Red
3
2
Black
Red
Grey
Green/Yellow
M
= EARTH
= LIVE
= NEUTRAL
Orange
I
Brown
Brown
N
L
E
LECTRICS
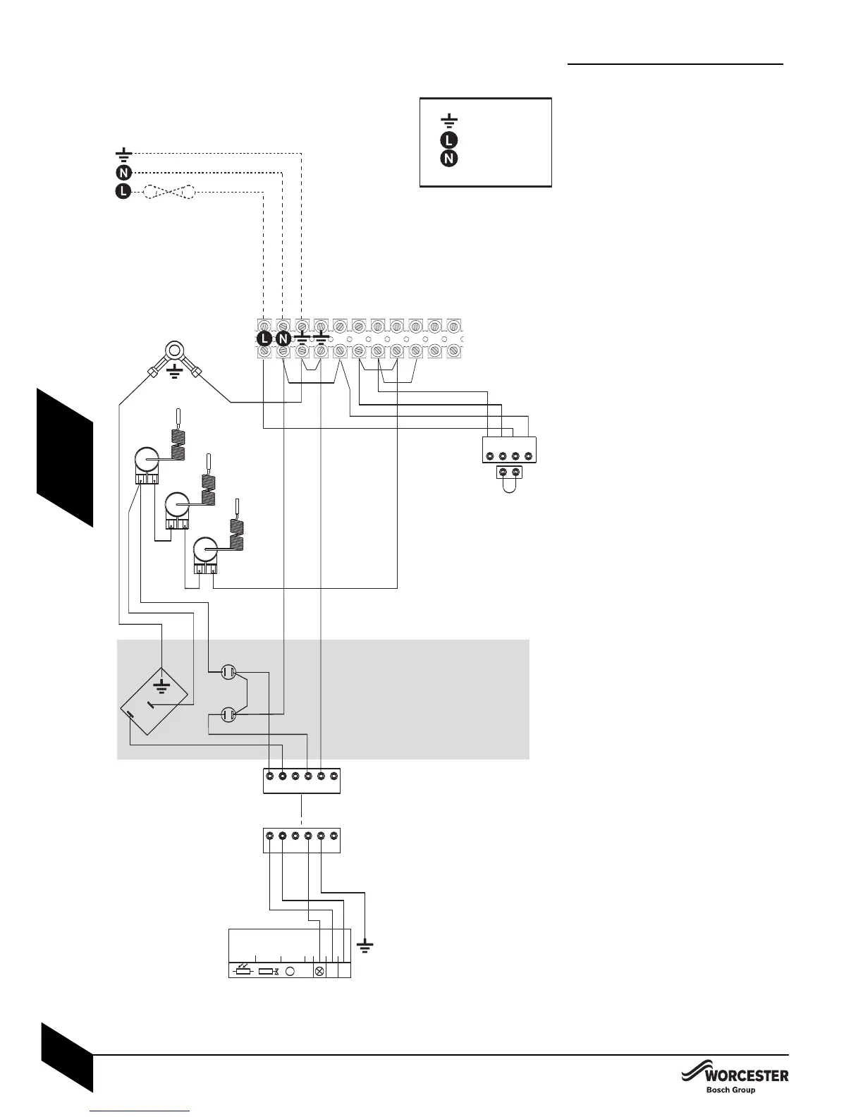
230V STANDARD WIRING DIAGRAM:
Key to components:
A - EARTH STUD.
B - HIGH LIMIT THERMOSTAT.
C - BOILER MANUAL RESET OVERHEAT
THERMOSTAT.
D - FLUE MANUAL RESET OVERHEAT
THERMOSTAT.
F - INTERNAL PROGRAMMER CONNECTOR.
G-TERMINAL CONNECTOR BLOCK.
H - LINK CONNECTOR.
I - CONTROL THERMOSTAT.
J - DEMAND NEON.
K - LOCKOUT NEON.
L - BURNER CONTROL SOCKET.
M-BURNER CONTROL PLUG-IN
CONNECTOR.
E
LE
CTR
I
C
S
INSTALLATION & SERVICING INSTRUCTIONS FOR WORCESTER GREENSTAR CAMRAY KITCHEN 12/18-18/25-25/32
8 716 113 000a (01/07)
2
7
INSTALLATION

Related product manuals