EasyManua.ls Logo

wsm m9540 - Electrical Circuit Detailed Chart

wsm m9540
73 pages
Print Icon
To Next Page IconTo Next Page
To Next Page IconTo Next Page
To Previous Page IconTo Previous Page
To Previous Page IconTo Previous Page
Loading...
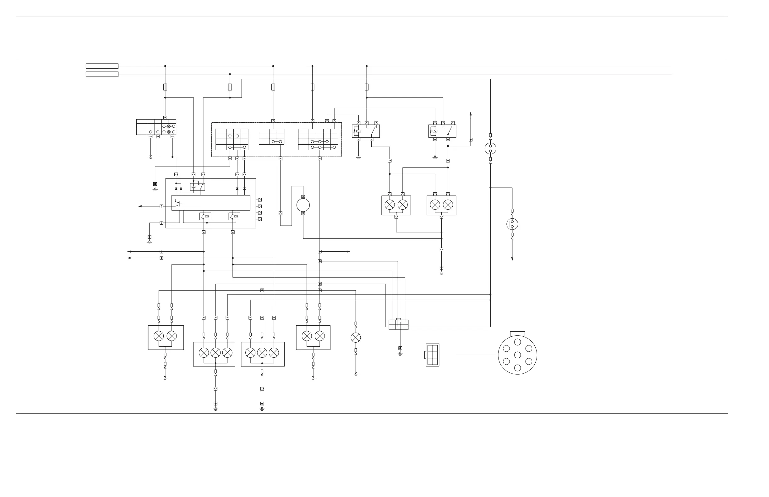
[1] LIGHTING SYSTEM
L9-M2
M9540Low Profile, WSM
ELECTRICAL SYSTEM
2. ELECTRICAL CIRCUIT DETAILED CHART
(1) Hazard Switch (14V, 1.4W)
(2) Combination Light Switch
(3) Turn Switch
(4) Horn Switch
(5) Head Light Switch
(6) Head Light LO Relay
(7) Head LIght HI Relay
(8) Brake Switch R.H.
(9) Brake Switch L.H.
(10) Flasher Unit
(11) Horn
(12) Head Light L.H.
(H4 12V, 55/60 W)
(13) Head Light R.H.
(H4 12V, 55/60 W)
(14) Front Combination Lamp L.H.
(15) Position Lamp (10 W)
(16) Turn Lamp (21 W)
(17) Rear Combination Lamp L.H.
(18) Rear Combination Lamp R.H.
(19) Tail Lamp (10 W)
(20) Stop Lamp (21 W)
(21) Front Combination Lamp R.H.
(22) Lisence Lamp (10 W)
(23) Trailer Socket Assembly
(A) Key/Light
(B) Key/IG
(a) Fuse (Flasher / Hazard)
(b) Fuse (Turn Signal / Stop Lamp)
(c) Fuse (Horn)
(d) Fuse
(Position Lamp / Number Lamp)
(e) Fuse (Head Light)
(f) To Meter Panel
(g) To Diode (4WD Brake)
B2 R L
2
1
OFF
2
B1 T 1
OFF
1
2
0.5BR
0.5OR
451
23
0.85OR
451
23
0.5B
H4 H4
0.85OR
0.85OR
0.85BR
0.85B
0.85B
LH
E
LH
E
0.85BR 0.85BR
0.85B
0.5BR
15A 10A 10A
B3 H
FREE
PUSH
0.85L/W
0.85B
cde
0.85G/R
0.85G
0.85G/R
7
58
10
1
3
2
13
0.85G
0.85R/Y
0.5R/B 0.85R/B
0.5G/B
0.85G/B
0.85R/B
0.85G/B 0.85G/B
0.85R/B
0.85G
0.85R/Y
412 611 9
0.5G/L
0.5G/Y
0.5B
0.5L/W
0.5L/W
0.85R/B
0.85R/Y
a
FREE
LOCK
0.85B
0.5B
0.5G/B
0.5R/B
15A10A
0.85LG/R
0.5L/G
0.85LG/R
0.5B
F
E
P
YG
B
0.85R/B
F
E
P
YG
B
0.85Y
0.85G/B
0.85B
1
2
7
3
4
5
61
7
1.25R/W
1.25R/B
1.25OR
1.25B
1.25Y/B
1.25G/W
3
4
5
6
0.85R/B
0.85G/B
0.85L/W
0.85B
J/C3
J/C3
0.85Y
0.85G
0.85B
0.85B
0.85G
0.85Y
0.85B
0.85B
0.5G/W
0.5B/R
0.85L/W
0.5L/W
0.5L/W
0.85R/Y
0.85L/W
0.85V
0.85L/W
0.85G/W
0.85LG/B
0.85LG
0.85G/W
0.85G/W
0.85G/W
0.85G/W
0.85G/W
0.85Y
FT
E
BFT
E
B
0.85B
0.5R/W
0.5Y/B
0.5G
0.5R/W
0.5Y/B
0.5G
0.5B
0.5B
0.85B
(14)
(15) (16)
(17) (18)
(16) (19) (20)
(20) (19) (16)
(21)
(11)
(16) (15)
(22)
(23)
(12)
(7)
(8)
(9)
(6)
(10)
(1)
(2)
(3) (4) (5)
(13)
3TMACBG9P007A
(f)-16
(f)-14
(f)-21
(f)-15
(f)-12
(g)
(a) (b)
(c)
(d) (e)
(A)
(B)
KiSC issued 09, 2008 A

Related product manuals