EasyManua.ls Logo

Xinje DS5E Series

Xinje DS5E Series
174 pages
To Next Page IconTo Next Page
To Next Page IconTo Next Page
To Previous Page IconTo Previous Page
To Previous Page IconTo Previous Page
Loading...
157
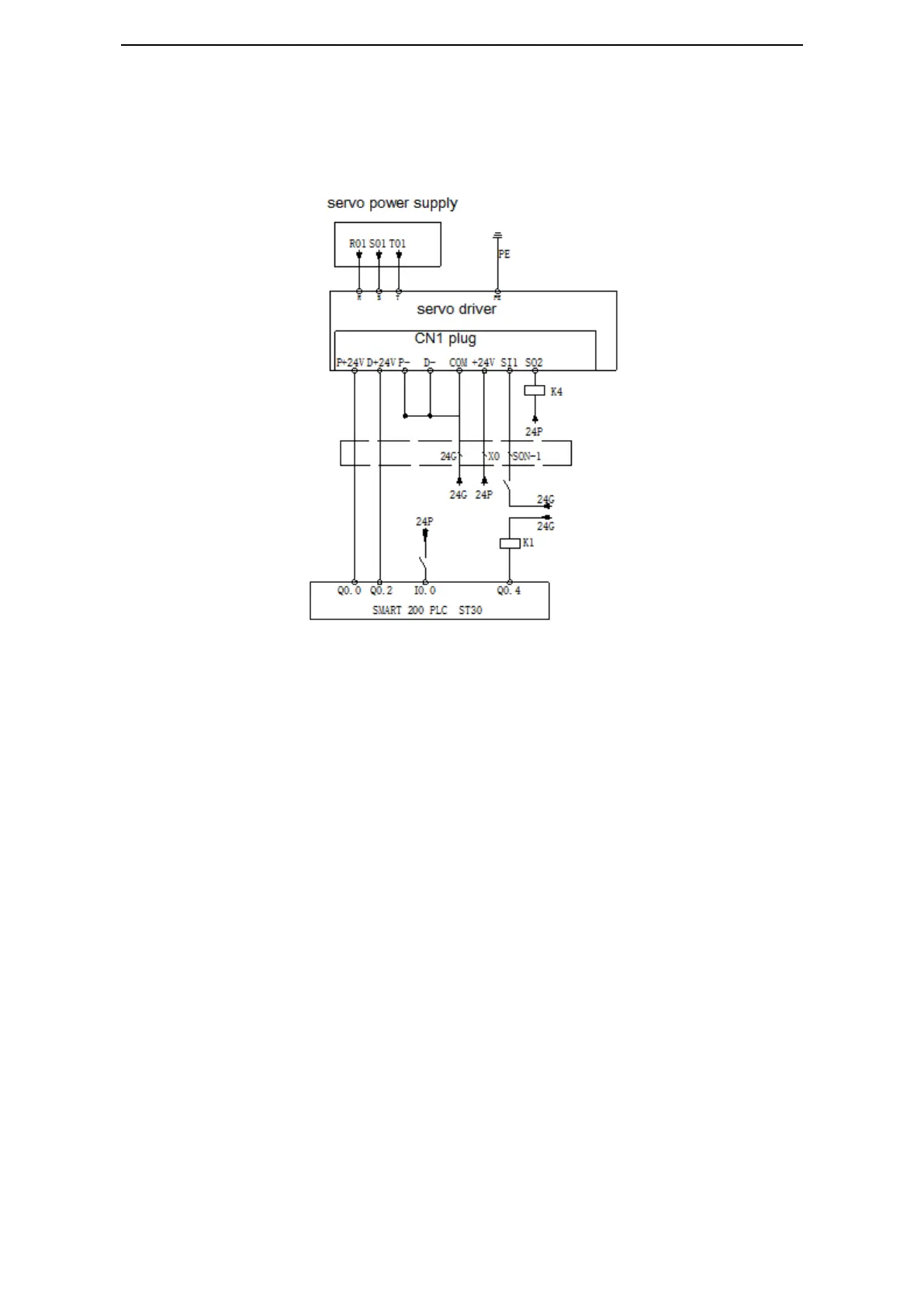
Q9: What is the connection mode between PLC and servo?
1. NPN low-level output PLC: Y0 pulse connects P-, Y1 direction connects D-, +24V connects P+24,
D+24. (Xinje PLC as an example)
PNP high-level output PLC: Q0.0 pulse connects P+24, Q0.2 direction connects D+24, 0V connects P-,
D-. (Siemens PLC as an example) as follows:
Q10: What is the external connection method and parameter setting of regenerative resistance?
There are P+, D, C terminals on the servo interface. There are short connectors between P+ and C
(using built-in resistor). When the built-in resistor specifications are insufficient, the external resistor
should be replaced. The specifications of the external regenerative resistor please refer to chapter 1.4.1.
(1) P+, D, C interface model: Remove the short joint between P+, D, and connect the external
regenerative resistance to P+, C.
(2) P+, PB interface model: connect external regenerative resistance to P+, PB.
(3) Version number parameter U2-07 < 3700, set P0-24 = 1, P0-25 = power value, P0-26 = resistance
value.
(4) Version number parameter U2-07 3700, P0-24 need not be set, P0-25 = power value, P0-26 =
resistance value.
Note: Before 3700 version, P0-24 should be set. Value 0 is for built-in resistance and value 1 is for
external resistance.
Q11: The service life of tank chain?
The bending resistance is 5 million times and the bending radius is 50 mm.
Q12: How to connect bus control BD board and JA-NE-L?
A-A1, B-B1, SG-SG when one axis running; the PLC BD board and the terminal resistor of the last
JA-NE-L board of electrical connection should be ON when multi-axis running; and the terminal
resistance of JA-NE-L board in the middle should be OFF.

Table of Contents

Other manuals for Xinje DS5E Series

Related product manuals