EasyManua.ls Logo

Xtralis XCC-010 - Installation; Detector Mounting

Xtralis XCC-010
36 pages
Print Icon
To Next Page IconTo Next Page
To Next Page IconTo Next Page
To Previous Page IconTo Previous Page
To Previous Page IconTo Previous Page
Loading...
Xtralis Pty Ltd XCC Product Guide
www.xtralis.com 13
4 Installation
4.1 Mounting the Detector
The XCC detector can be mounted onto the wall using the mounting bracket on any suitable secure surface.
Note: The detector can only be mounted using the mounting bracket included with the packaging.
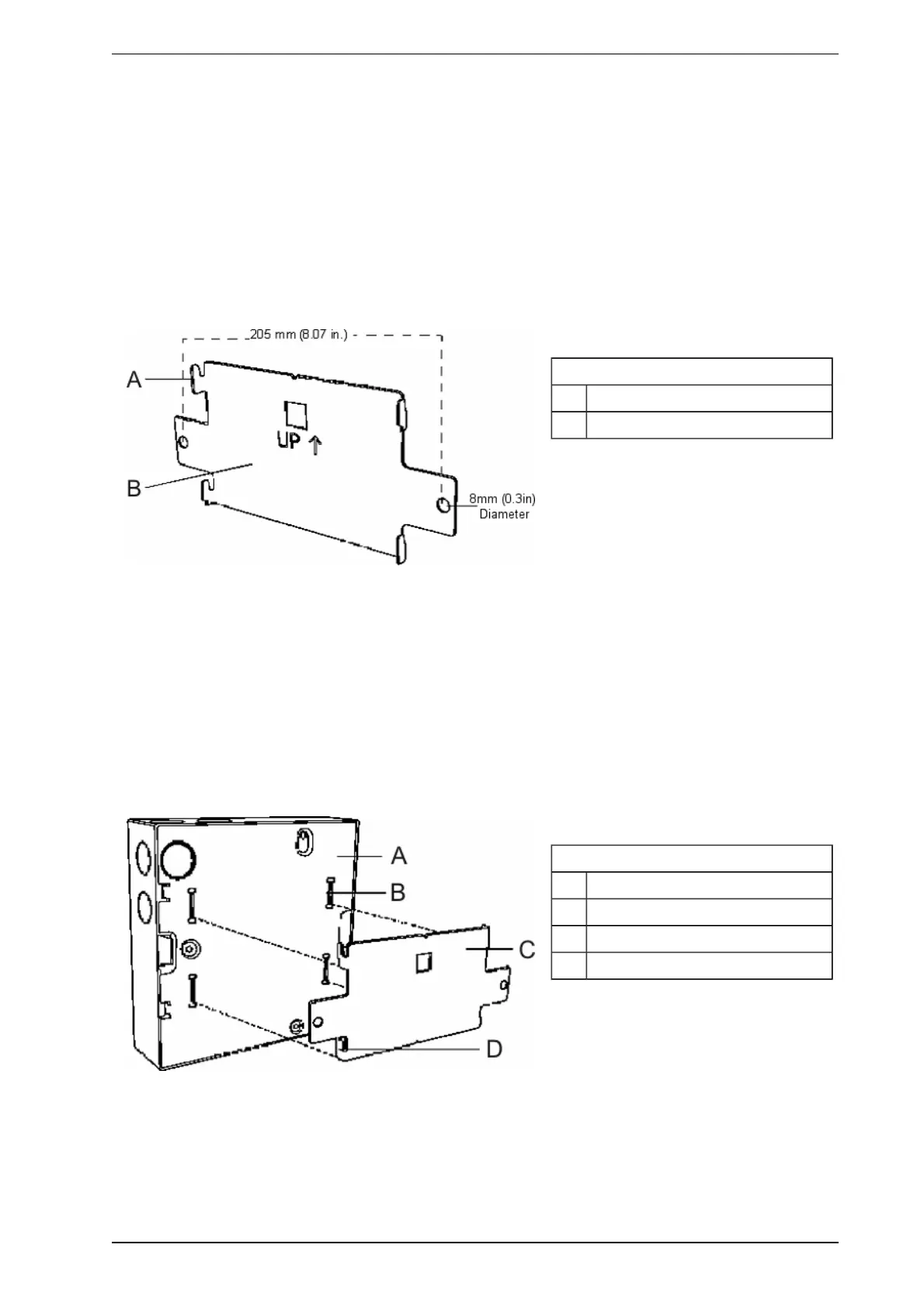
4.1.1 Securing the mounting bracket
The mounting bracket for the XCC detector is always mounted in the UP direction. The mounting bracket is
clearly marked with the word "UP" and an upward pointing arrow.
Legend
A Tab
B This side to Detector
Figure 4-1: The mounting bracket for normal and inverted orientations
Secure the mounting bracket to the surface using appropriate fasteners, ensuring that the bracket is
horizontally straight and sits flush on the surface.
Determine the ports for cable entry. Press out the tabs for the cable entry, air inlet and air exhaust ports.
4.1.2 Installing the Detector
Determine the orientation for mounting the XCC detector. Remove the front cover and if necessary separate it
from the enclosure box. The back of the enclosure box is slotted over the four mounting bracket tabs. Slide the
detector downwards until it slides onto the tabs. Screw in the anti-tamper screw. Check to confirm that the
detector does not slide off the mounting bracket.
Legend
A Back of Detector
B Rectangle Slots
C Mounting Bracket
D Bracket Tab
Figure 4-2: Mounting the detector onto the mounting bracket

Related product manuals