EasyManua.ls Logo

Xtralis XCC-010 - Dimensions

Xtralis XCC-010
36 pages
Print Icon
To Next Page IconTo Next Page
To Next Page IconTo Next Page
To Previous Page IconTo Previous Page
To Previous Page IconTo Previous Page
Loading...
XCC Product Guide Xtralis Pty Ltd
26 www.xtralis.com
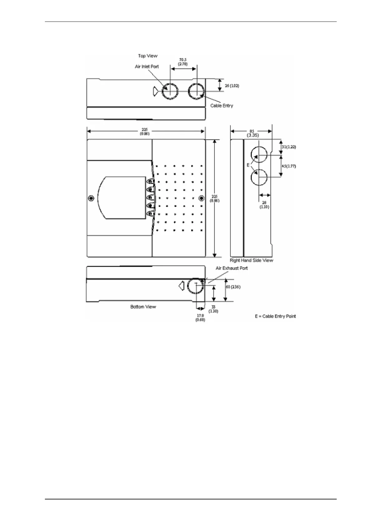
7.2 Dimensions
Figure 7-1: Dimensions of the XCC detector in mm. (in.)

Related product manuals