EasyManua.ls Logo

Yale GLP25LX - Dash Panel, Kick Panel, and Seal Plate Removal

Yale GLP25LX
69 pages
Print Icon
To Next Page IconTo Next Page
To Next Page IconTo Next Page
To Previous Page IconTo Previous Page
To Previous Page IconTo Previous Page
Loading...
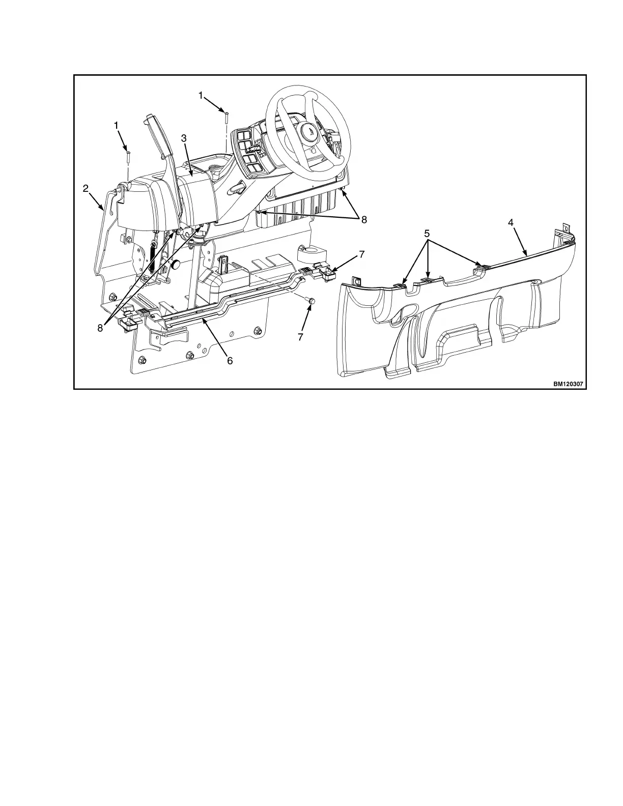
1. ALLEN HEAD SCREWS
2. COWL
3. DASH PANEL
4. KICK PANEL
5. KICK PANEL NOTCHES
6. SEAL PLATE
7. CAPSCREWS
8. CLIPS
Figure 6. Dash Panel, Kick Panel, and Seal Plate Removal
0100 YRM 1766 Hood, Seat, and Side Covers Replacement
7

Table of Contents

Related product manuals