EasyManua.ls Logo

Yanmar 4BY - Cylinder Head

Yanmar 4BY
275 pages
Print Icon
To Next Page IconTo Next Page
To Next Page IconTo Next Page
To Previous Page IconTo Previous Page
To Previous Page IconTo Previous Page
Loading...
ENGINE
BY Service Manual
5-19
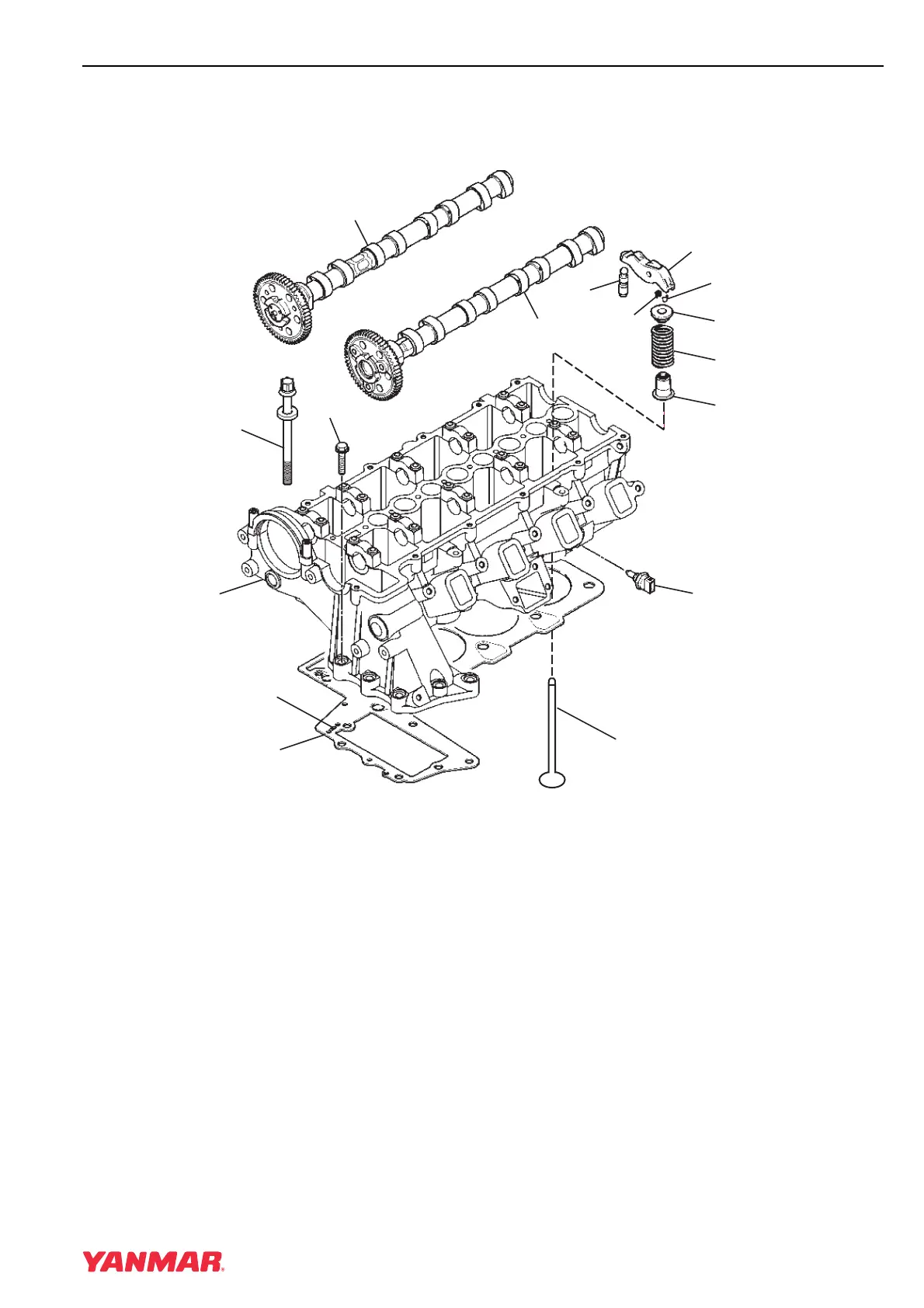
Cylinder Head
CYLINDER HEAD
Cylinder Head Components
Figure 5-2
1 Exhaust Camshaft
2 Intake Camshaft
3 Hydraulic Rocker Arm Pivot
4 Valve Keeper (2 used each valve)
5 Cam Follower
6 Valve Spring Retainer
7–Valve Spring
8 Valve Stem Seal
9 Coolant Temperature Sensor
10–Valve
11 Cylinder Head Gasket
12 Head Gasket Identification Holes
13 Cylinder Head
14 Cylinder Head Bolt
15–Bolt
(10)
(15)
(14)
(1)
(2)
(3)
(4)
(5)
(4)
(11)
(13)
(6)
(7)
(8)
(9)
0003654
(12)

Table of Contents

Related product manuals