EasyManua.ls Logo

YASKAWA CIMR-JB Series - Page 261

YASKAWA CIMR-JB Series
287 pages
Print Icon
To Next Page IconTo Next Page
To Next Page IconTo Next Page
To Previous Page IconTo Previous Page
To Previous Page IconTo Previous Page
Loading...
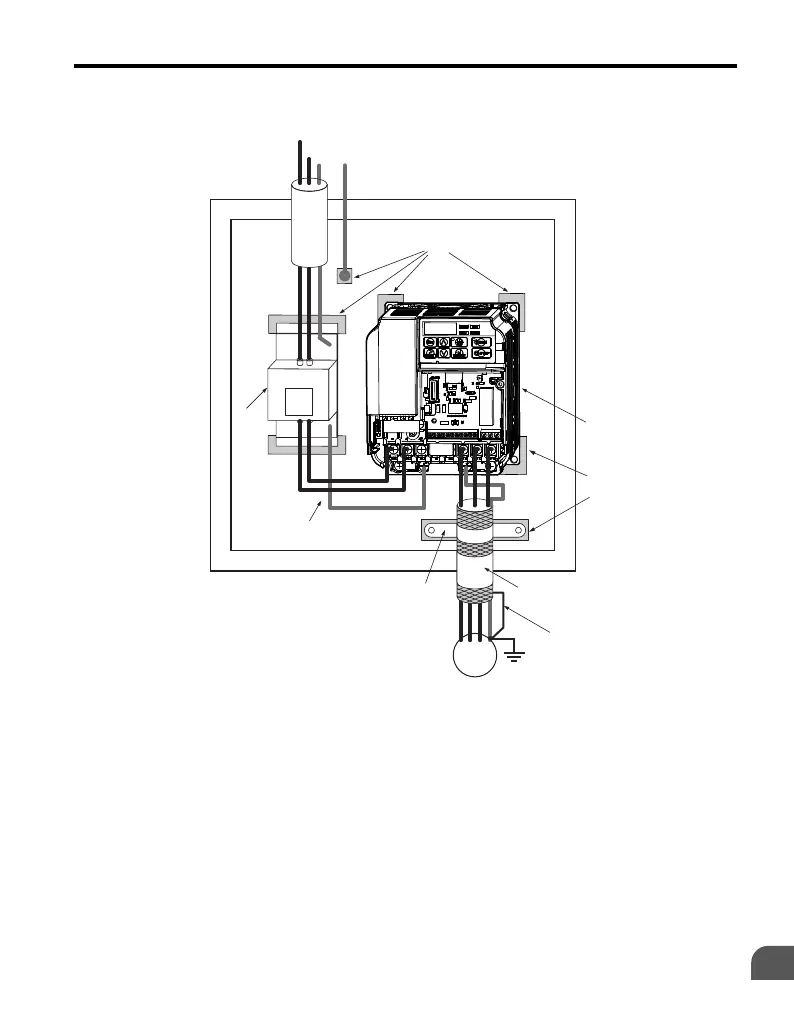
Single-Phase 200 V Class
B
C
D
E
D
F
A
H
G
J
I
N
L1
E
N
L1
PE
PE
A Ground the cable shield
B Enclosure panel
C Metal plate
D Grounding surface
(remove any paint or
sealant)
E
Drive
F Motor cable (braided
shield cable, max. 20 m)
G Motor
H Cable clamp
I Wiring distance as short
as possible
J EMC noise filter
Figure C.4 EMC Filter and Drive Installation for CE Compliance (Single-Phase 200 V
Class)
C.2 European Standards
YASKAWA ELECTRIC TOEP C710606 25D YASKAWA AC Drive J1000 Installation & Start-Up Manual
261
C
Standards Compliance

Table of Contents

Related product manuals