EasyManua.ls Logo

YASKAWA Legend 01 - Page 73

YASKAWA Legend 01
81 pages
Print Icon
To Next Page IconTo Next Page
To Next Page IconTo Next Page
To Previous Page IconTo Previous Page
To Previous Page IconTo Previous Page
Loading...
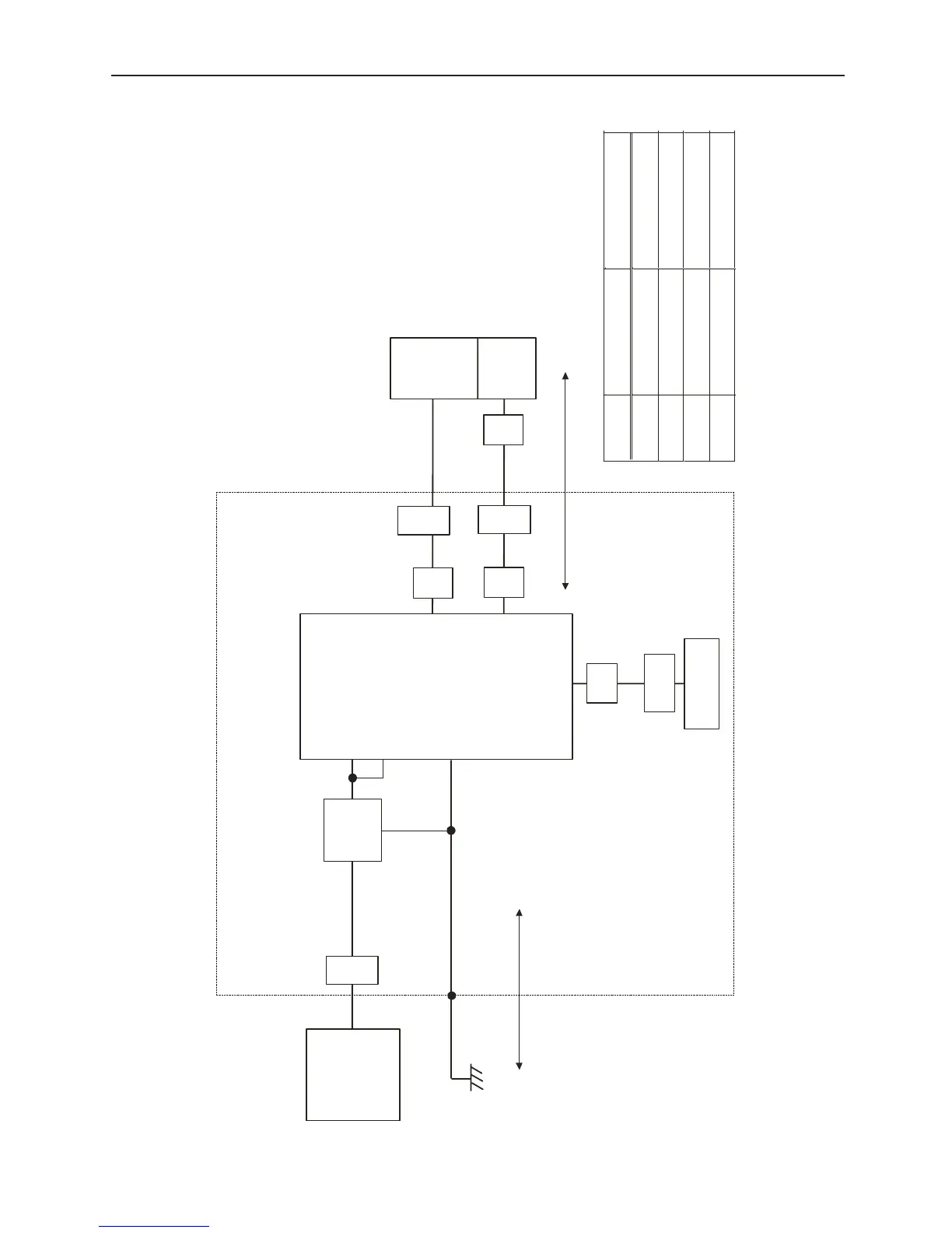
Appendix B: Installation Conditions for EMC Directives
62
SGDG-01GT
SGDG-04GT
SGDG-04GT
Noise
Filter
Controller
Clamp
Clamp
Core
Core
Core
Clamp
Motor
Encoder
Power supply
AC200V
Single phase
Symbol Name Specification
Controller cable
Shield cable (2m)
Motor cable Shield cable (5m)
Encoder cable Shield cable (5m)
AC Line cable Shield cable (2m)
Earth Plate/Shield Box
FG
2m
5m
CN1
CN2
U,V,W
PE
L1C,L2C
L1,L2
Clamps : Fix and ground the cable shield using a piece of conductive metal.
Clamp
Core

Table of Contents

Related product manuals