EasyManua.ls Logo

YASKAWA SGMSS - Examples of I;O Signal Connections; Connection Example

YASKAWA SGMSS
177 pages
To Next Page IconTo Next Page
To Next Page IconTo Next Page
To Previous Page IconTo Previous Page
To Previous Page IconTo Previous Page
Loading...
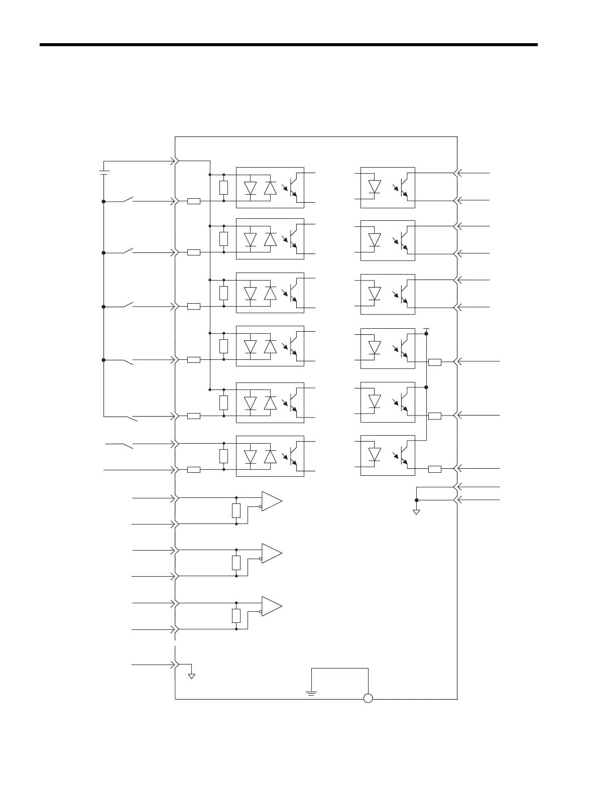
5 Wiring
5.3.1 Connection Example
5-8
5.3 Examples of I/O Signal Connections
5.3.1 Connection Example
+24VIN CN1-1
BRK+
CN1-11
BRK-
CN1-12
ALM+
CN1-13
ALM-
CN1-14
USER+
CN1-9
USER-
CN1-10
MS_G
+5 V
CN1-15
MS_R
CN1-16
NS_G
CN1-18
MS_COM
CN1-17
NS_COM
CN1-20
CN1-7
3.3 k
3 k
120
330
USER0
CN1-8
USER1
CN1-4
HOME
CN1-3
CW-OT
CN1-2
CCW-OT
CN1-5
EXSTOP+
CN1-6
EXSTOP-
CN1-21
ENC_A+
CN1-22
ENC_A-
CN1-23
ENC_B+
CN1-24
ENC_B-
CN1-25
ENC_C+
CN1-26
ENC_C-
CN1-19
GND
Encoder I/F
Connecrtor shell
FG
Shield line is connected to the connector shell.
SIEPS80000025.book 8 ージ 20  

Table of Contents

Related product manuals