EasyManua.ls Logo

YASKAWA SGMSS - Using more than One SERVOPACK

YASKAWA SGMSS
177 pages
Print Icon
To Next Page IconTo Next Page
To Next Page IconTo Next Page
To Previous Page IconTo Previous Page
To Previous Page IconTo Previous Page
Loading...
5.4 Special Wiring
5-17
5
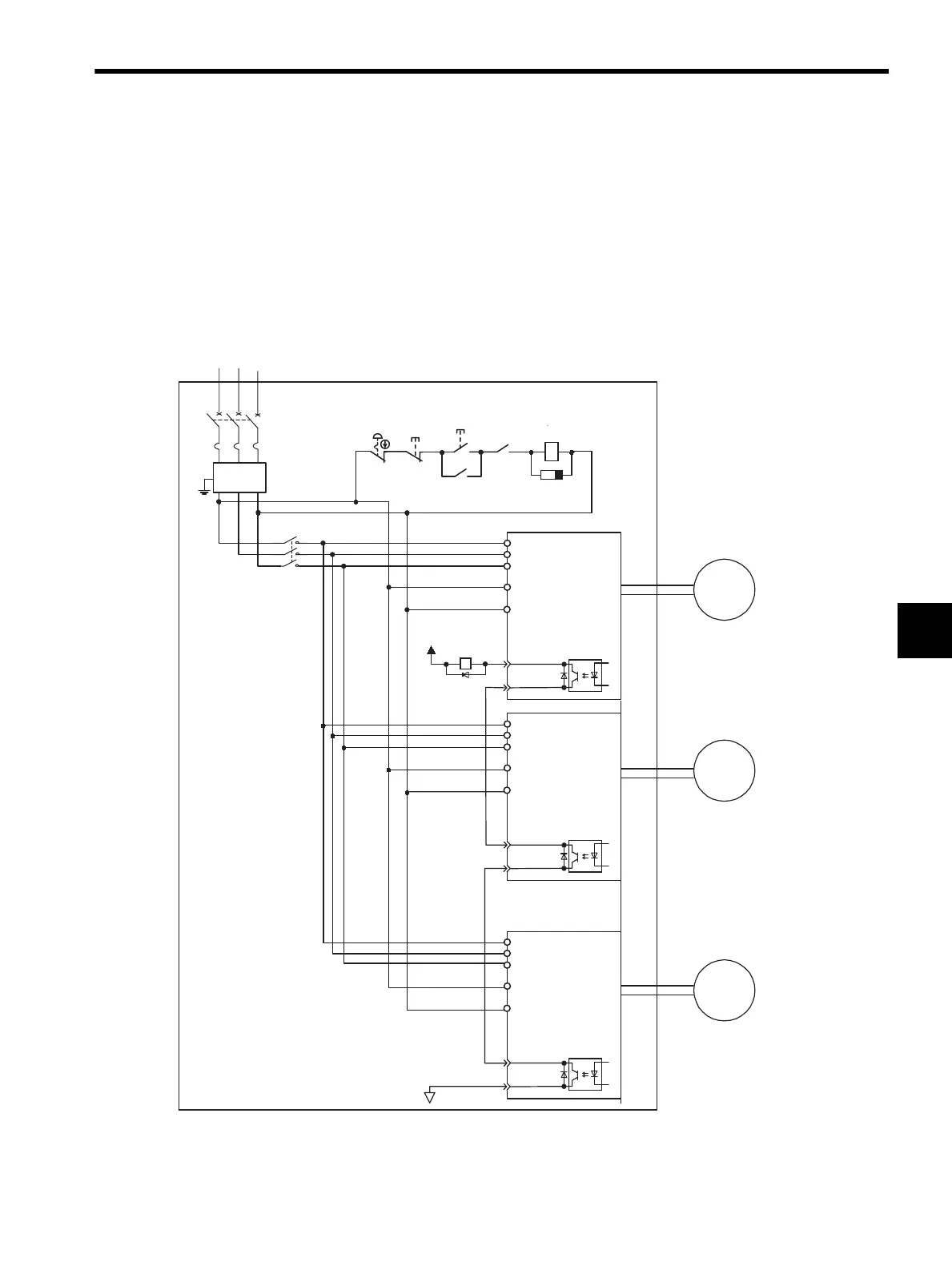
5.4.3 Using More Than One SERVOPACK
The following diagram is an example of the wiring when more than one SERVOPACK is used.
Connect the alarm output (ALM) terminals for the three SERVOPACKs in series to enable alarm detection relay
1RY to operate.
When the alarm occurs, the ALM output signal transistor is turned OFF.
Multiple servos can share a single molded-case circuit breaker (QF) or noise filter. Always select a QF or noise
filter that has enough capacity for the total power capacity (load conditions) of those servos. For details, refer to
2.5.2 Molded-case Circuit Breaker and Fuse Capacity.
RS T
QF
1KM
1KM
1RY
PRT
1KM
1RY
+24V
L1
L2
L3
L1C
CN1
13 ALM+
14 ALM
-
0V
M
L2C
M
M
Power supply
Noise
filter
Power
ON
Power
OFF
SERVOPACK
Servomoto
r
Servomoto
r
Servomoto
r
Note: Wire the system so that the power supply’s phase-S is the ground.
L1
L2
L3
L1C
CN1
13 ALM+
14 ALM
-
L2C
SERVOPACK
L1
L2
L3
L1C
CN1
13 ALM+
14 ALM
-
L2C
SERVOPACK
SIEPS80000025.book 17 ページ 2004年10月25日 月曜日 午前11時57分

Table of Contents

Related product manuals