EasyManua.ls Logo

YASKAWA SGMSS - Magnetic Contactor

YASKAWA SGMSS
177 pages
Print Icon
To Next Page IconTo Next Page
To Next Page IconTo Next Page
To Previous Page IconTo Previous Page
To Previous Page IconTo Previous Page
Loading...
4 Specifications and Dimensional Drawings of Cables and Peripheral Devices
4.4.10 Magnetic Contactor
4-18
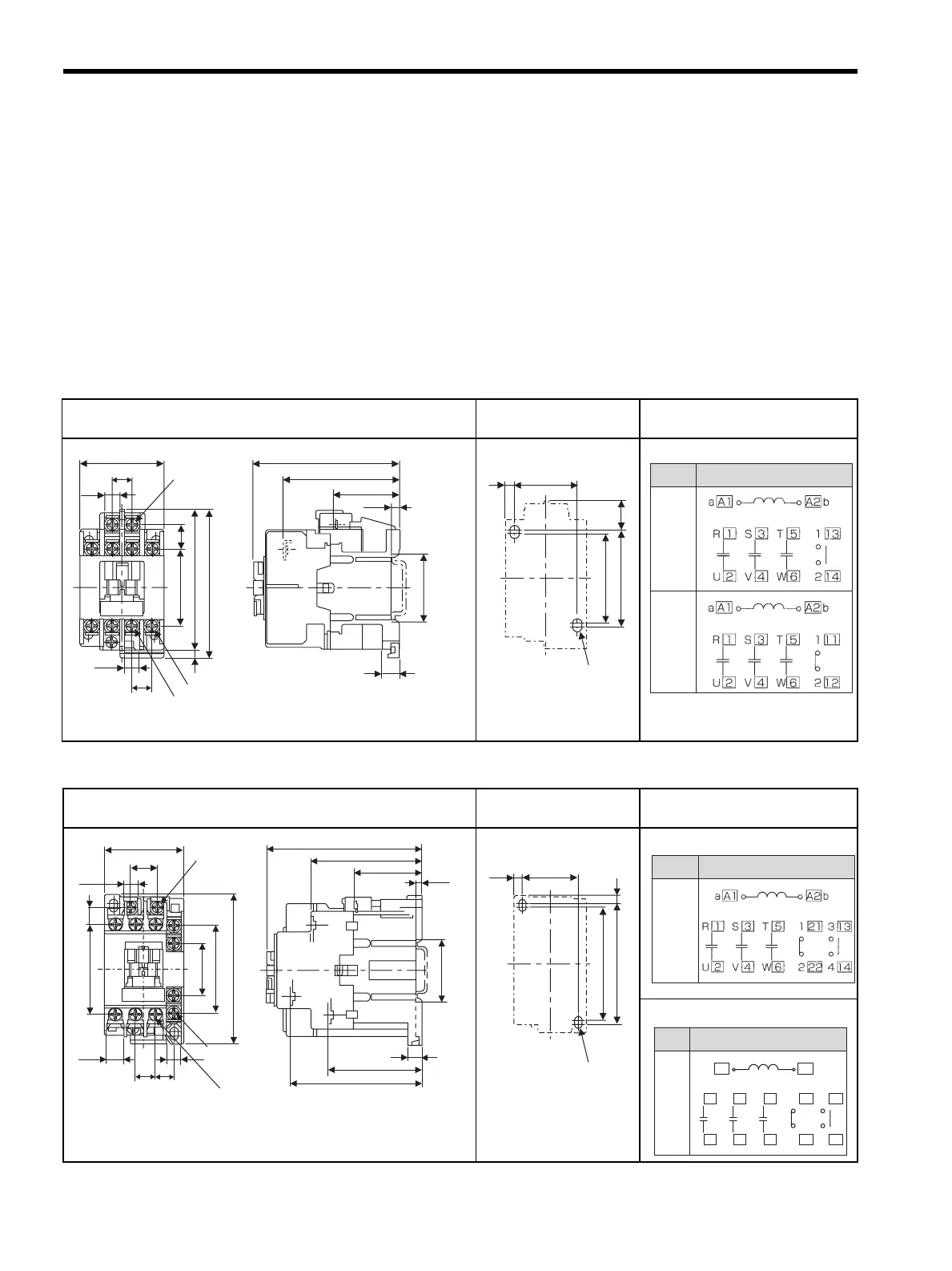
4.4.10 Magnetic Contactor
(1) Model: HI-J
The magnetic contactor is manufactured by Yaskawa Controls Co., Ltd. Contact your Yaskawa representative for
details.
A magnetic contactor is required to make the AC power to SERVOPACK ON/OFF sequence externally. Be sure
to attach a surge protector to the excitation coil of the magnetic contactor. Refer to 4.4.11 Surge Protector for
details of the surge protector.
For selecting a magnetic contactor, refer to 2.5.3 Noise Filters.
(2) For Single-phase 100/200V and Three-phase 200 V SERVOPACKs
(a) Model: HI-11J and HI-14J
(b) Model: HI-15, HI-18J, and HI-20J
Dimensions in mm (in)
Mounting Hole
Dimensions in mm (in)
Terminal Symbols
Approx mass: 0.25 kg (0.551 lb)
Dimensions in mm (in)
Mounting Hole
Dimensions in mm (in)
Terminal Symbols
Approx. mass: 0.38 kg (0.838 lb)
9 (0.35)
35(1.38)
76 (2.99)
61 (2.40)
34.5 (1.36)
4.5 (0.18)
a
b
2U
1RST
44 (1.73)
10.1 (0.40)
13
(0.51)
8.2 (0.32)
41 (1.61)
74.5 (2.93)
78.5 (3.09)
8.2
(0.32)
10.4 (0.41)
4
(0.16)
M3.5 Auxiliary contact terminal
M3.5 Main contact terminal
M3.5 Coil
terminal
VW
2 × M4 mounting
holes
34 (1.34)
5
(0.20)
52 (2.05)
48 (1.89)
15.5
(0.61)
1NO
1NC
Auxiliary
contact
Structure
91 (3.58)
35 (1.38)
65 (2.56)
4.5
(0.18)
76 (2.99)
54 (2.13)
9 (0.35)
39 (1.54)
RS
U
W
V
T
a
b
45.5 (1.79)
15.3 (0.60)
51 (2.01)
8.2
(0.32)
9.6 (0.38)
3
Main contact
terminal M3.5
Coil terminal
M3.5
Auxiliary contact
terminal M3.5
11.3
(0.44)
10.8
(0.43)
9.6
(0.38)
85 (3.35)
50 (1.97)
29 (1.14)
1
2
4
8.2
(0.32)
5.2
(0.20)
35 (1.38)
5
(0.20)
75 (2.95)
70 (2.76)
2 × M4 mounting
holes
1NO1NC
Auxiliary
contact
Structure
HI-15J
1NO
1NC
HI-20J
A1a
1
R
3
S
5
T
41
5
23
7
2
U
4
V
6
W
42
6
24
8
b
A2
Auxiliary
contact
Structure
SIEPS80000025.book 18 ページ 2004年10月25日 月曜日 午前11時57分

Table of Contents

Related product manuals