EasyManua.ls Logo

YASKAWA SGMSS - Page 92

YASKAWA SGMSS
177 pages
Print Icon
To Next Page IconTo Next Page
To Next Page IconTo Next Page
To Previous Page IconTo Previous Page
To Previous Page IconTo Previous Page
Loading...
4.4 Peripheral Devices
4-19
4
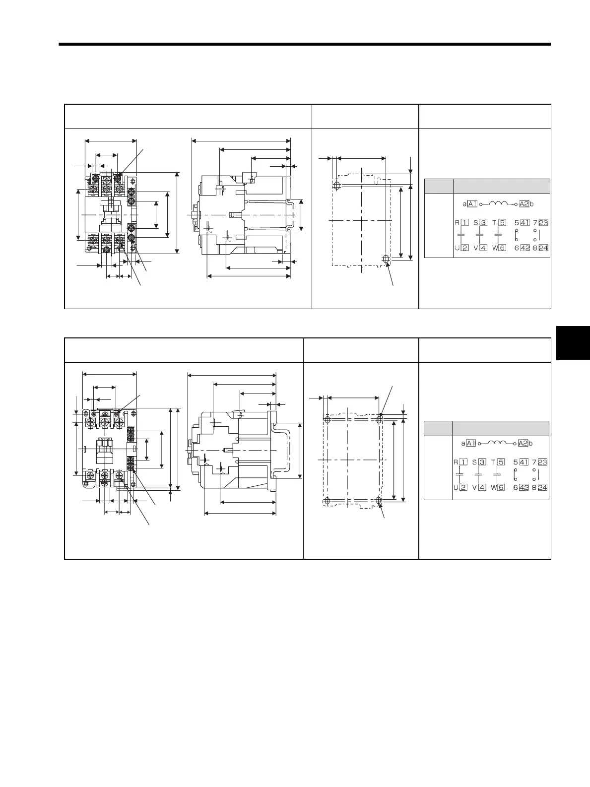
(c) Model: HI-25J and HI-35J
(d) Model: HI-50J and HI-65J
Dimensions in mm (in)
Mounting Hole
Dimensions in mm (in)
Terminal Symbols
Approx. mass: 0.68 kg (1.50 lb)
Dimensions in mm (in)
Mounting Hole Dimensions
in mm (in)
Terminal Symbols
Approx. mass: 1.1 kg (2.43 lb)
a
b
12.2
(0.48)
8.2 (0.32)
7 (0.28)
5 (0.20)
6 (0.24)
8 (0.31)
14.8
(0.58)
13.1
(0.52)
29 (1.14)
50 (1.97)
92 (3.62)
58.4 (2.30)
8.2
(0.32)
23.4 (0.92)
58 (2.28)
M3.5 Coil
terminal
M5 Main contact terminal
M3.5 Auxiliary
contact terminal
UVW
RST
111 (4.37)
79 (3.11)
45 (1.77)
4.5 (0.18)
35 (1.38)
94 (3.70)
72 (2.83)
9 (0.35)
2 × M4 Mounting
holes
70 (2.76)
75 (2.95)
10.5
(0.41)
50 (1.97)
4
(0.16)
Auxiliary
contact
Structure
1NO1NC
7 (0.28)
98 (3.86)
75 (2.95)
75.5 (2.97)
49.5 (1.95)
86.5 (3.41)
121 (4.76)
8.2
(0.32)
30 (1.18)
3
(0.12)
14 (0.55)
20
(0.79)
15.5
(0.61)
8.2
(0.32)
114 (4.49)
111 (4.37)
75 (2.95)
50 (1.97)
75 (2.95)
T
S
R
W
VU
10.3 (0.41)
M3.5
Coil terminal
M3.5 Auxiliary
contact terminal
Main contact terminal
HI-50J: M5
HI-65J: M6
a
b
29 (1.14)
7 (0.28)
5 (0.20)
6 (0.24)
8 (0.31)
95 (3.74)
100 (3.94)
6
(0.24)
65 (2.56)
B
A
5
(0.20)
2 × M4 Mounting
holes
BA
2 × M4 Mounting
holes
Auxiliary
contact
Structure
1NO1NC
SIEPS80000025.book 19 ページ 2004年10月25日 月曜日 午前11時57分

Table of Contents

Related product manuals