EasyManua.ls Logo

Zeiss Stemi DV4 - Interfaces in the Modular System; Fig. 2-5 Interfaces of the Stemi DV4; DR with Column-Type Stand (Schematic); Fig. 2-6 Front Lenses of Stemi DV4; DR

Zeiss Stemi DV4
38 pages
Print Icon
To Next Page IconTo Next Page
To Next Page IconTo Next Page
To Previous Page IconTo Previous Page
To Previous Page IconTo Previous Page
Loading...
DESCRIPTION
Stemi DV4 / DR Zeiss Stemi modular system Carl Zeiss
B 40-003 e 08/00 2-7
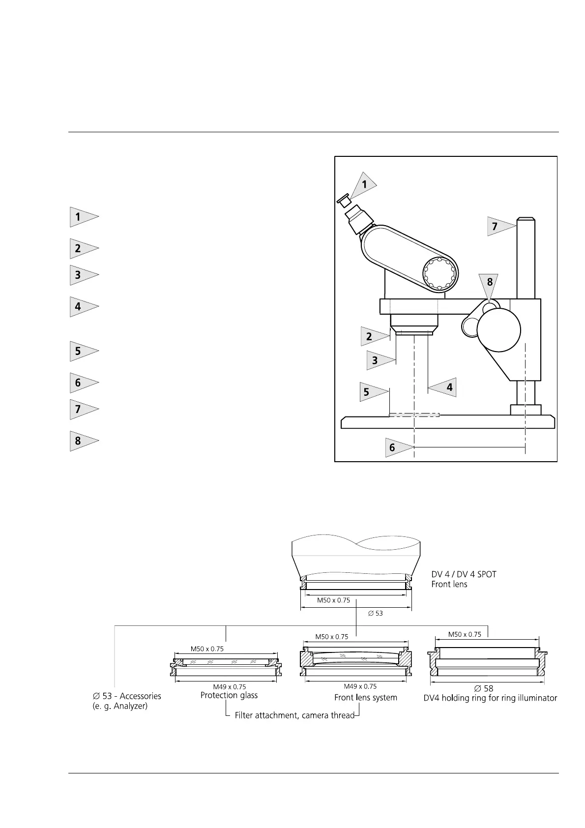
2.3.2 Interfaces in the modular system
Interfaces of the Stemi DV4 / DR with column-
type stand
Mount for dia. 19 mm reticles
Mount dia. 76 mm for microscope body
Mount dia. 53 mm for accessories
Internal thread M50x0.75 for mount for
attachment systems, dust cover or
annular light adapter
Mount dia. 84 mm
for stages, insert plates
Distance column – optical axis: 155 mm
Column dia. 32 mm
Mount for integrated illuminator
Fig. 2-6 Front lenses of Stemi DV4 / DR
Fig. 2-5 Interfaces of the Stemi DV4 / DR
with column-type stand (schematic)

Table of Contents

Related product manuals