EasyManua.ls Logo

ABB FENA-21 - State Machine for the Positioning Mode

ABB FENA-21
388 pages
Print Icon
To Next Page IconTo Next Page
To Next Page IconTo Next Page
To Previous Page IconTo Previous Page
To Previous Page IconTo Previous Page
Loading...
PROFINET IO – Communication profiles 313
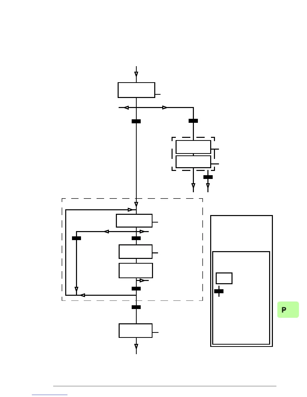
State machine for the positioning mode
The PROFIdrive state machine for the positioning mode is shown
below.
State
condition
E
F
(SW Bit10,13=1)
(CW Bit4,5=1
and
CW Bit6
edge 01)
CW= Control word
SW = Status word
PROFIdrive
State machine
for PROFIdrive
positioning mode
(CW Bit11=1)
(SW Bit10,11,13=0)
BASIC STATE:
Operating
1)
HOMING
RUNNING
(SW Bit10,11,13=1)
HOMING
READY
(CW Bit11=0)
(SW Bit10,13=0)
Traversing task
active
(CW Bit5=0)
(CW Bit5=0)
(SW Bit10,13=0)
Braking with
ramp
Intermediate
stop
(CW Bit6 edge
01)
F
FF
(SW Bit10,13=0)
(CW Bit4=0)
Braking with
ramp
E
1)
In the “Operating
state of the general
state machine:
SW bits 0, 1 and 2 = 1
SW bit 6 = 0.
F

Table of Contents

Other manuals for ABB FENA-21

Related product manuals