EasyManua.ls Logo

Acer H6500 - Page 19

Acer H6500
111 pages
To Next Page IconTo Next Page
To Next Page IconTo Next Page
To Previous Page IconTo Previous Page
To Previous Page IconTo Previous Page
Loading...
H6500


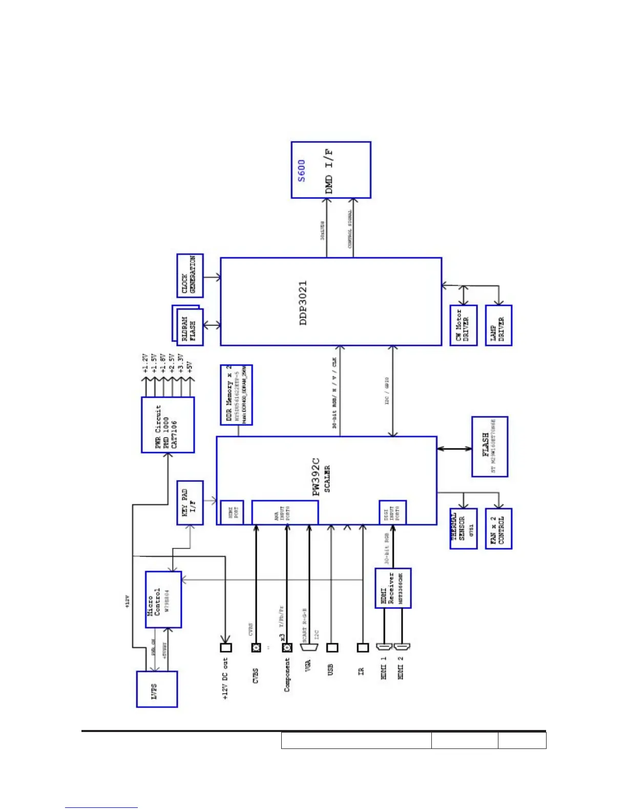
System Block Diagram

Table of Contents

Related product manuals