EasyManua.ls Logo

ADLINK Technology MXE-5401 - D-SUB 26 P Digital I;O Pin Assignment; Isolated Digital Input Circuit Diagram

ADLINK Technology MXE-5401
88 pages
Print Icon
To Next Page IconTo Next Page
To Next Page IconTo Next Page
To Previous Page IconTo Previous Page
To Previous Page IconTo Previous Page
Loading...
20 Introduction
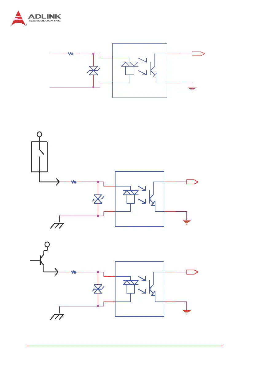
Figure 1-13: Isolated/Differential Digital Input Circuit
Figure 1-14: Isolated Digital Input Sample Application Circuit
IDI_67L
D21
TVS
D21
TVS
1
1
2
2
1 1
2
2
4
4
3
3
R671 8.2K_+-5%R671 8.2K_+-5%
IDI_nH
IDI_nL
DI
GND
8.2 K_+ -5 %8.2 K_+ -5 %
D20
TVS
D20
TVS
1
1
2
2
1 1
2
2
4
4
3
3
R67 0 8.2 K_+ -5 %R67 0 8.2 K_+ -5 %
D20
TVS
D20
TVS
1
1
2
2
IS 1IS 1
1 1
2
2
4
4
3
3
DI
GND
DI
GND
ISO_COM
ISO_COM
Power
Power

Table of Contents

Related product manuals