EasyManua.ls Logo

Agilent Technologies 83640B - Page 479

Agilent Technologies 83640B
603 pages
Print Icon
To Next Page IconTo Next Page
To Next Page IconTo Next Page
To Previous Page IconTo Previous Page
To Previous Page IconTo Previous Page
Loading...
RF
Deck Cables
83620B
/22B and
83630B/L
No
Options
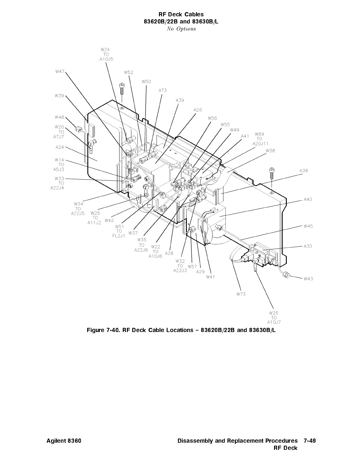
Figure
7-40. RF Deck Cable Locations { 83620B/22B and 83630B/L
Agilent 8360 Disassembly and Replacement Procedures
RF Deck
7-49

Table of Contents

Other manuals for Agilent Technologies 83640B

Related product manuals