EasyManua.ls Logo

Agilent Technologies 83640B - Page 483

Agilent Technologies 83640B
603 pages
Print Icon
To Next Page IconTo Next Page
To Next Page IconTo Next Page
To Previous Page IconTo Previous Page
To Previous Page IconTo Previous Page
Loading...
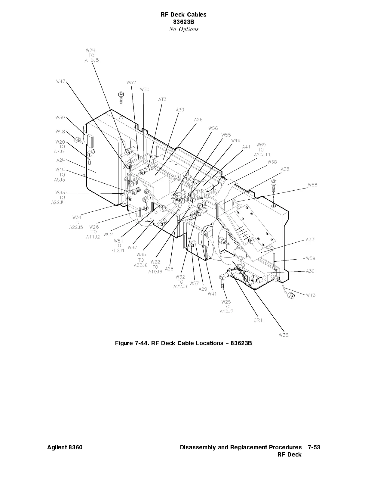
RF
Deck Cables
83623B
No
Options
Figure 7-44. RF Deck Cable Locations {
83623B
Agilent 8360 Disassembly and Replacement Procedures
RF Deck
7-53

Table of Contents

Other manuals for Agilent Technologies 83640B

Related product manuals