EasyManua.ls Logo

alfa robot P650 - 6 Pneumatic Circuit Diagram

Default Icon
96 pages
Print Icon
To Next Page IconTo Next Page
To Next Page IconTo Next Page
To Previous Page IconTo Previous Page
To Previous Page IconTo Previous Page
Loading...
53
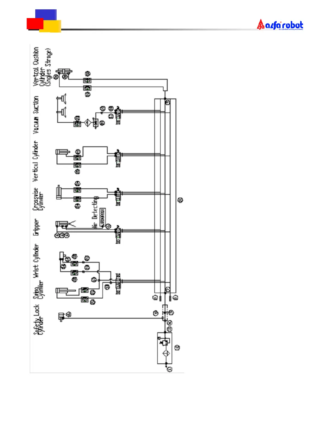
6. Pneumatic Circuit Diagram

Table of Contents

Related product manuals