EasyManua.ls Logo

Ampac EvacU - 6050-0008 Evacu Standalone 50 W System Drawing

Ampac EvacU
61 pages
Print Icon
To Next Page IconTo Next Page
To Next Page IconTo Next Page
To Previous Page IconTo Previous Page
To Previous Page IconTo Previous Page
Loading...
Page 37
EWCIE Technical Manual
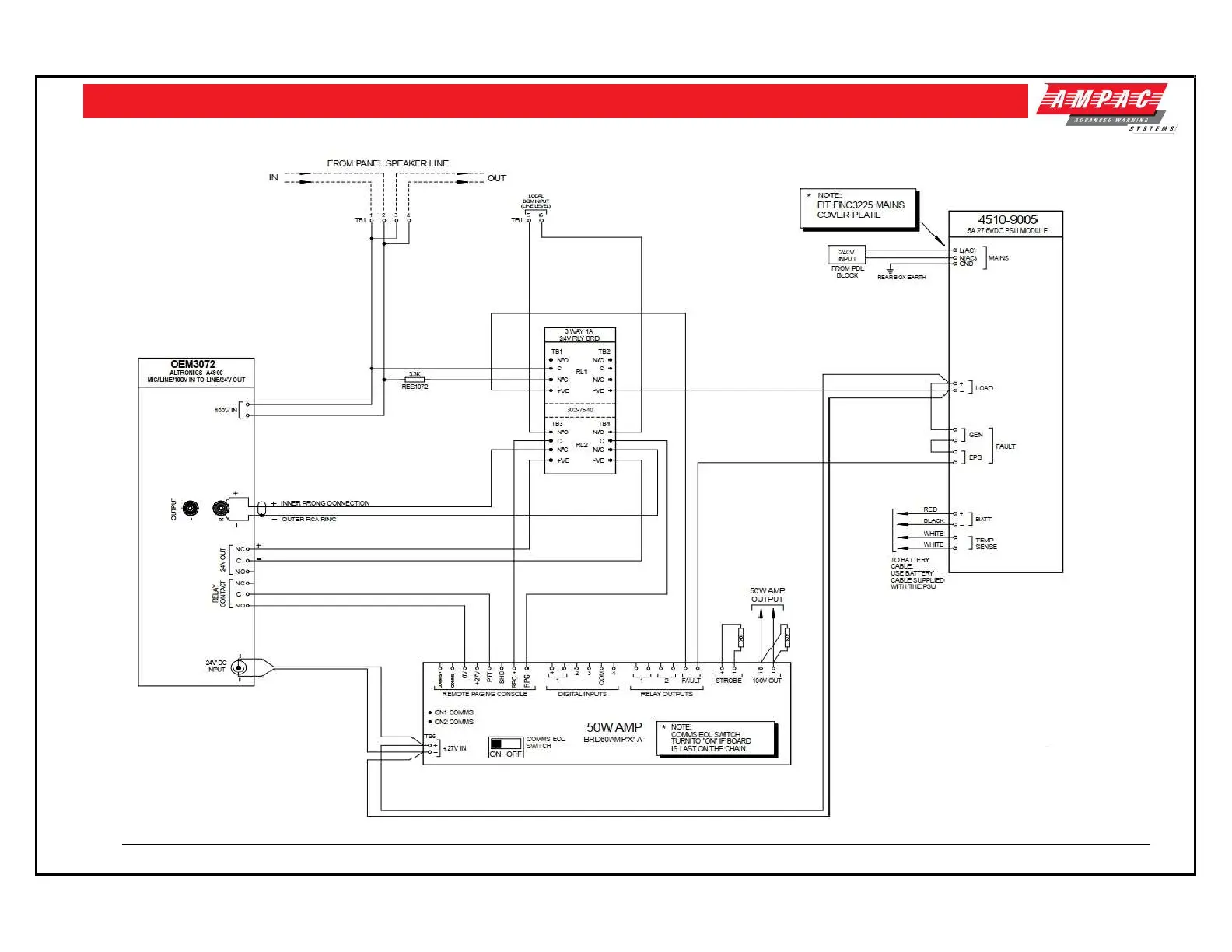
10.9 6050-0008 EvacU Standalone 50W System Drawing

Table of Contents

Related product manuals