EasyManua.ls Logo

Ampac EvacU - Evactron LMU4 Interfacing

Ampac EvacU
61 pages
Print Icon
To Next Page IconTo Next Page
To Next Page IconTo Next Page
To Previous Page IconTo Previous Page
To Previous Page IconTo Previous Page
Loading...
Page 45
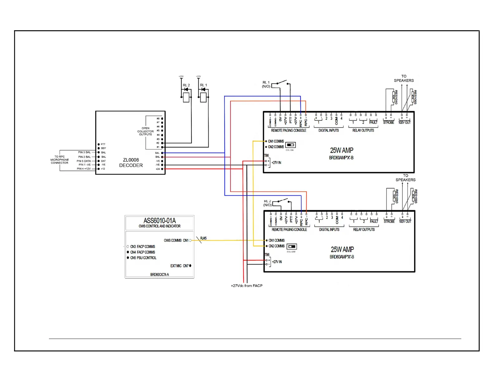
11.8 Paging using Evactron 8 Zone RPC with Multiple Amps
Example below uses the Evactron ZL-0008 8 Zone Paging Mic and decoder (Navision item code PAGE8LMIC)
Note: When using multiple Amps ensure the following:
1. The EOL Switch is “ON” on the last Amplifier only.
2. Each Amplifier is addressed using SW4 DIP switches (refer section 4)
3. Maximum of 8 Amplifiers
4. In this configuration, all messages, alert single, evacuation signal etc are ALL CALL

Table of Contents

Related product manuals