EasyManua.ls Logo

ANDO Technik Galcon 800248 - Page 10

Default Icon
40 pages
Print Icon
To Next Page IconTo Next Page
To Next Page IconTo Next Page
To Previous Page IconTo Previous Page
To Previous Page IconTo Previous Page
Loading...
- 10 -
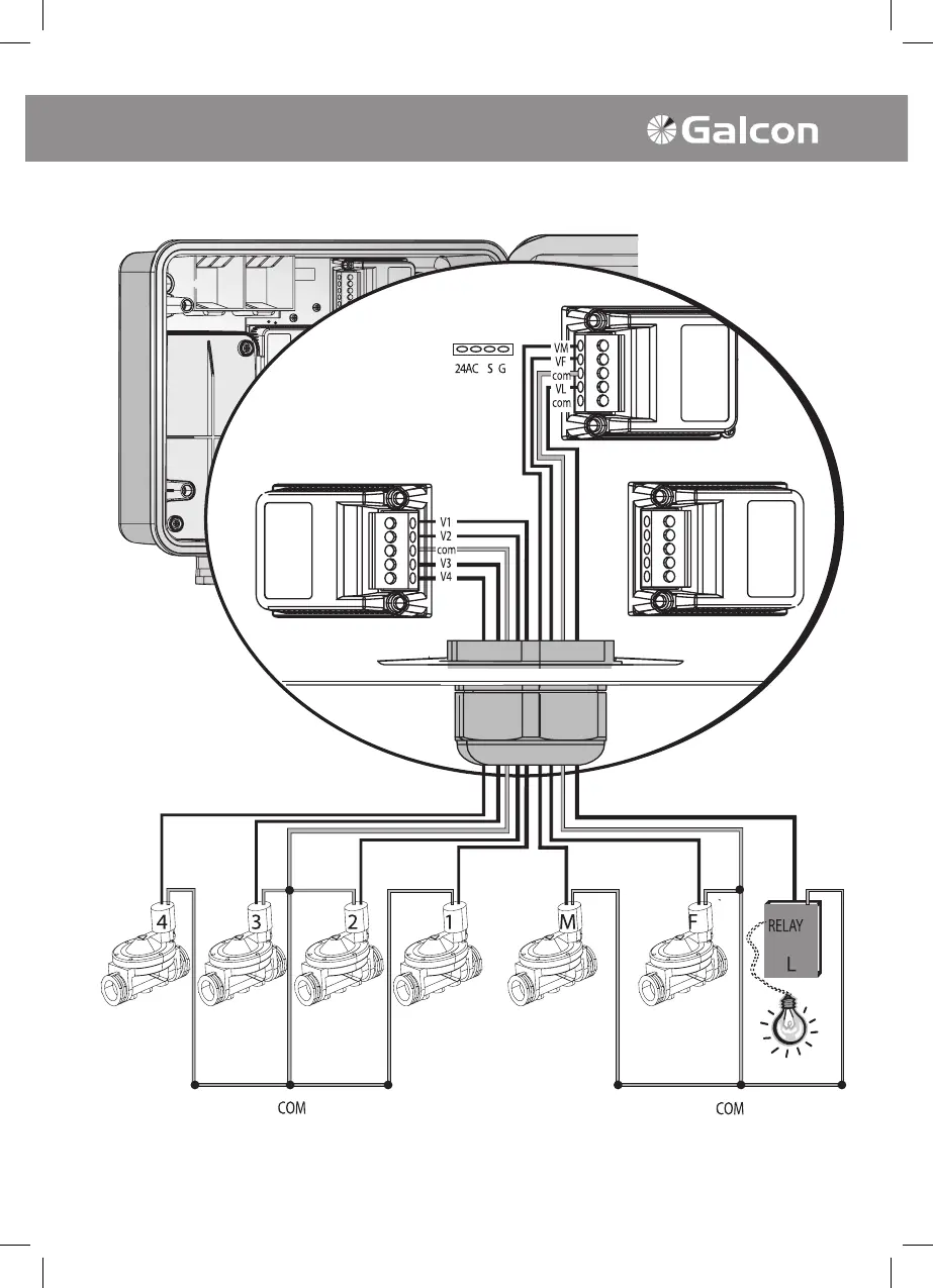
Installation and Wiring Instructions