EasyManua.ls Logo

Answer Drives GT3000 - Page 51

Answer Drives GT3000
128 pages
Print Icon
To Next Page IconTo Next Page
To Next Page IconTo Next Page
To Previous Page IconTo Previous Page
To Previous Page IconTo Previous Page
Loading...
GT300 Installation
IMGT30017EN 39
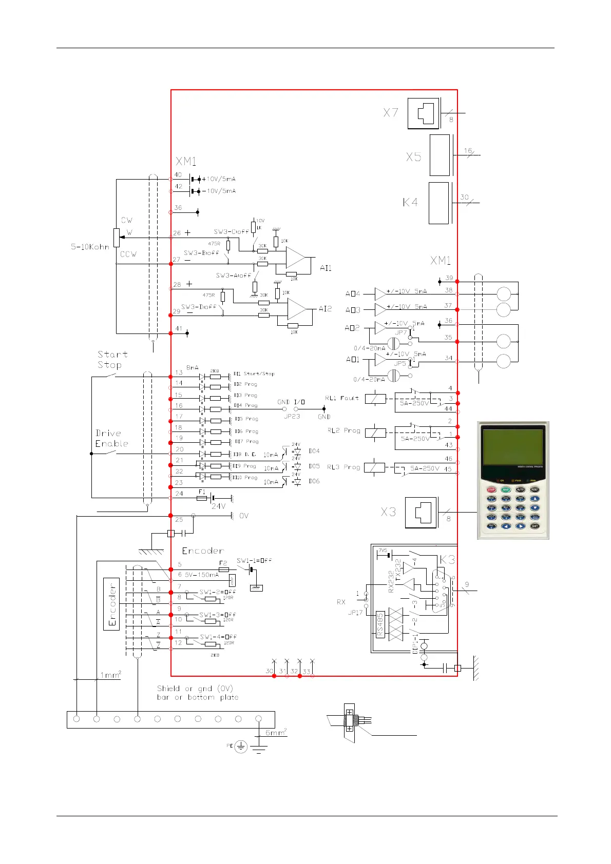
Figure 3A.5.2B Microprocessor Plus Control Terminal Board
Connect the shield as in picture
Shield
Keypad
Digital inputs/outputs
Analog outputs
PLC Exp.
Board
Network
Exp. Board
DI/DO Exp
Board
Manual
speed
adjust
Analog inputs
PC RS232/485
V
V
V
V
Microprocessor Plus Board