EasyManua.ls Logo

Arjo MAXI MOVE - Lift Dimensions

Arjo MAXI MOVE
50 pages
Print Icon
To Next Page IconTo Next Page
To Next Page IconTo Next Page
To Previous Page IconTo Previous Page
To Previous Page IconTo Previous Page
Loading...
42
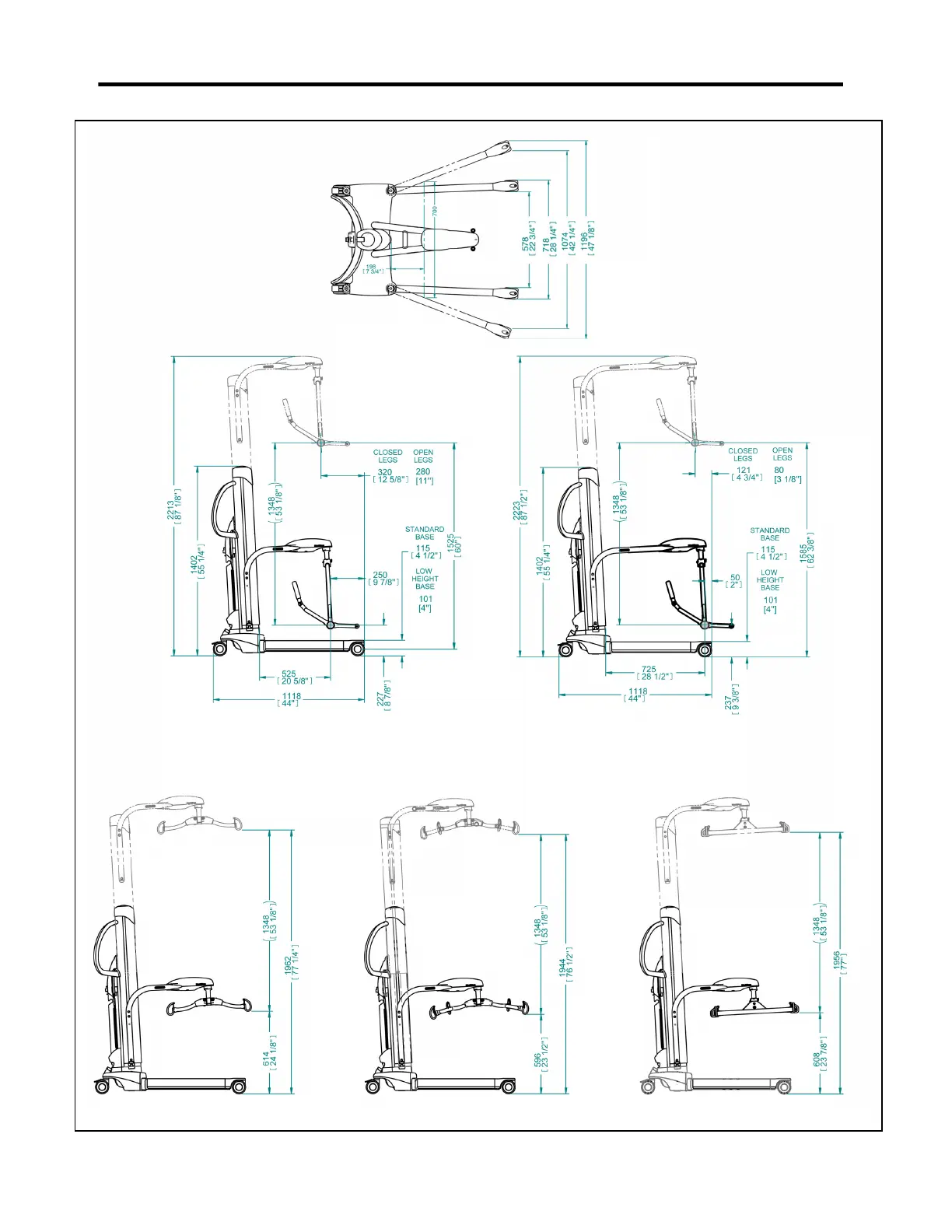
Technical Specifications
Lift Dimensions
*
Dim
ensions unloaded can
be
±
10 mm
(3/8”)
WITH DPS SPREADER BAR
[REGULAR JIB]
WITH DPS SPREADER BAR
[EXTENDED JIB]
WITH STRETCHER SPREADER BAR
WITH 4-POINT LOOP SPREADER BAR
WITH 2-POINT LOOP SPREADER BAR
BASE DIMENSIONS
Fig. 74

Table of Contents

Other manuals for Arjo MAXI MOVE

Related product manuals