EasyManua.ls Logo

Atlas Copco SF 2+ - Flow Diagram

Atlas Copco SF 2+
90 pages
Print Icon
To Next Page IconTo Next Page
To Next Page IconTo Next Page
To Previous Page IconTo Previous Page
To Previous Page IconTo Previous Page
Loading...
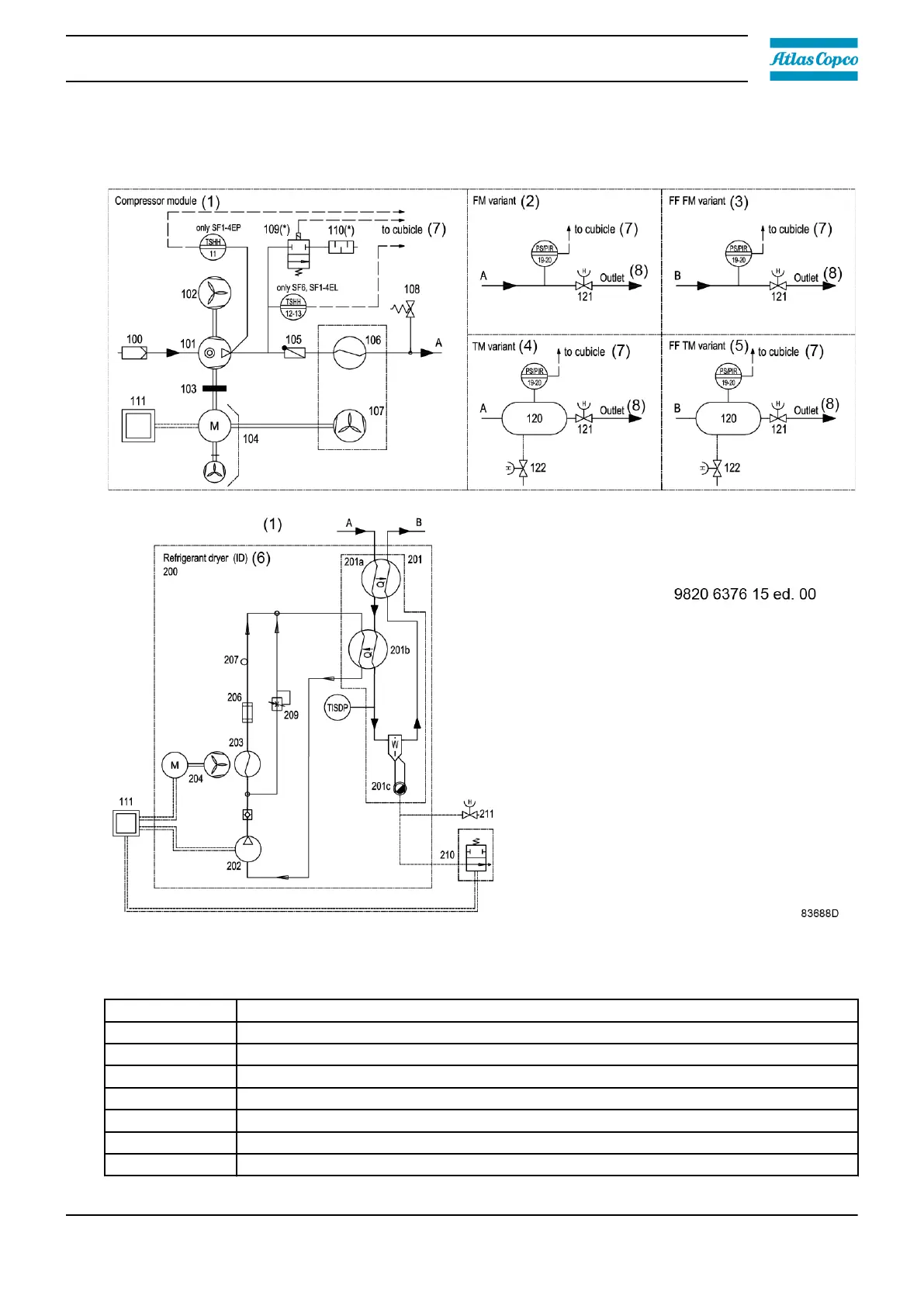
2.2 Flow diagram
Figure 6: Flow diagram
Reference
Description
(1) Compressor module
(2) Floor-mounted, Pack units
(3) Floor-mounted, Full-Feature units
(4) Tank-mounted, Pack units
(5) Tank-mounted, Full-Feature units
(6) Refrigerant dryer (ID, 200)
(7) To cubicle
Instruction book
2920 7219 10 17

Table of Contents

Related product manuals