EasyManua.ls Logo

Avalue Technology EMX-CDD - Product Overview

Avalue Technology EMX-CDD
65 pages
Print Icon
To Next Page IconTo Next Page
To Next Page IconTo Next Page
To Previous Page IconTo Previous Page
To Previous Page IconTo Previous Page
Loading...
EMX-CDD User’s Manual
EMX-CDD User’s Manual 13
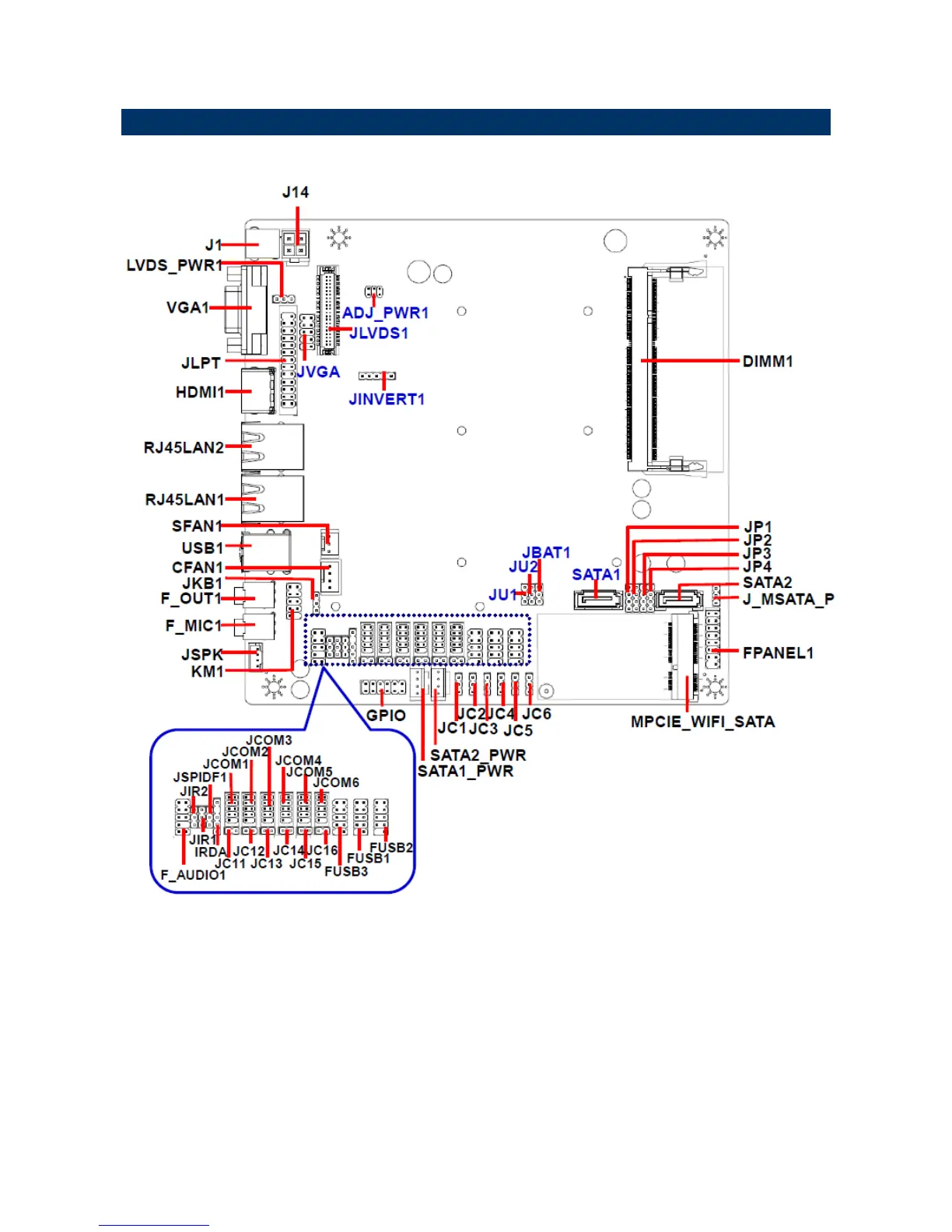
2.1 Product Overview

Table of Contents

Other manuals for Avalue Technology EMX-CDD

Related product manuals