EasyManua.ls Logo

Bailey Infi90 - User Alarm Outputs

Default Icon
82 pages
Print Icon
To Next Page IconTo Next Page
To Next Page IconTo Next Page
To Previous Page IconTo Previous Page
To Previous Page IconTo Previous Page
Loading...
DESCRIPTION AND OPERATION
USER ALARM OUTPUTS
I-E96-508C 2 - 7
USER ALARM OUTPUTS
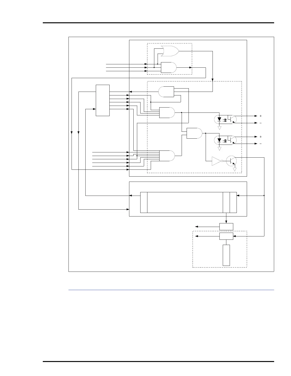
There are two user alarm outputs (normally closed): bus volt-
age and power system status alarm. The bus voltage alarm
activates (opens) if any bus voltage goes low or is lost. The
power system status alarm activates (opens) for any bad sta-
tus. These outputs are optically isolated and can drive relays or
annunciator panels that require no more than 120 milliamps.
Figure 2-5. Status Signal Circuit Diagram
MODULE STATUS
BMM
BU
S
VO
L
T
ALA
R
M
POW
E
R
SY
S
ALA
R
POWER SYS
STATUS
PFI
LIM BIM
T.U.
PLANT LOOP
DC BUS
PM STAT
PFI
T.U.
NIS
INFI-NET
AUX BUS MONITOR 1
STATUS IN 2
AUX BUS MONITOR 2
MODULE STATUS (BMM)
STATUS
T
P
2
5
1
3
3
A
MCS, OIS, etc....
IEPEP04
DTM
DC LINE 1
DC LINE 2
IEPDS01
IEPDF01
IEMMU01
MODULE STATUS (DTM)
PFI
+5 V
+15 V
-15 V
+24 V
PM STAT
STATUS IN 1/PFI

Table of Contents

Other manuals for Bailey Infi90