EasyManua.ls Logo

BBK DV718SI - Page 105

BBK DV718SI
120 pages
Print Icon
To Next Page IconTo Next Page
To Next Page IconTo Next Page
To Previous Page IconTo Previous Page
To Previous Page IconTo Previous Page
Loading...
C402
104
C401
104
K402
D401
1N4148
S1
LEDST
LEDCK
LEDAT
VCC1
GND
R401
51K
R404
10K
R402
10K
R403
10K
TC401
100uF/16V
IR
OSC
1
DOUT
2
DIN
3
CLK
4
STB
5
K1
6
K2
7
K3
8
VDD
9
NC
13
SEG1/KS1
10
SEG2/KS2
11
SEG3/KS3
12
SEG4/KS4
14
SEG5/KS5
15
GR6
23
SEG6/KS6
16
SEG7/KS7
17
SEG8/KS8
18
SEG9/KS9
19
SEG10/KS10
20
SEG11
21
SEG12/GR7
22
VDD
25
GND
26
GR5
24
GR4
27
GR3
28
GND
29
GR2
30
GR1
31
GND
32
U401
PT6961
LEDAT
LEDCK
LEDST
KEY1
KEY2
KEY3
S1
S2
S3
S4
S5
S7
S10
G9
G8
G12
G6
VCC1
VCC
VCC
S11
S1
S2
S3
S4
S5
G6S6
G8
G9
S7
S8
G12
5
4
3
2
112
11
10
9
8
7 6
LED401
LED-SOCK(1)
L401
VCC
D402
1N4148
S2
K405
K403
VCC
D410
1N4148-SE(DNS)
VCC
D409
1N4148-SE(DNS)
VCC
D411
1N4148-SE(DNS)
LEDST
LEDCK LEDAT
D408
1N4148-SE(DNS)
KEY3
D406
1N4148-SE(DNS)
FS0
D404
1N4148-SE(DNS)
S1
D405
1N4148-SE(DNS)
S2
D412
1N4148-SE(DNS)
KEY1
D413
1N4148-SE(DNS)
KEY2
VCC
D407
1N4148-SE(DNS)
IR
1
2
3
U402
HS0038B3V
C403
104
R405
100R
IR
TC402
100uF/16V
R420
10K
VCC VCC
C408
102
G13
S8
G14
S1#
KEY2
LED01
S1#
S2#
FS0
FS0
VD406
2
3
4
1
XS402
XS04/2.0
2
3
4
1
5
6
7
XS401
*
VD402
VD403
VD404
1 2
R410
5.1K
R411
5.1K
R407120R
R408120R
R409120R
VCC1
VCC1
open/close
step
play/pause
R412
330R
S6
S11
S12
S9
Q404
8050
VCC1
D403
1N4148
R415
5.1K
LED01
KEY1
KEY3
Q402
8050
A K
D414
5.1V
- 101 -
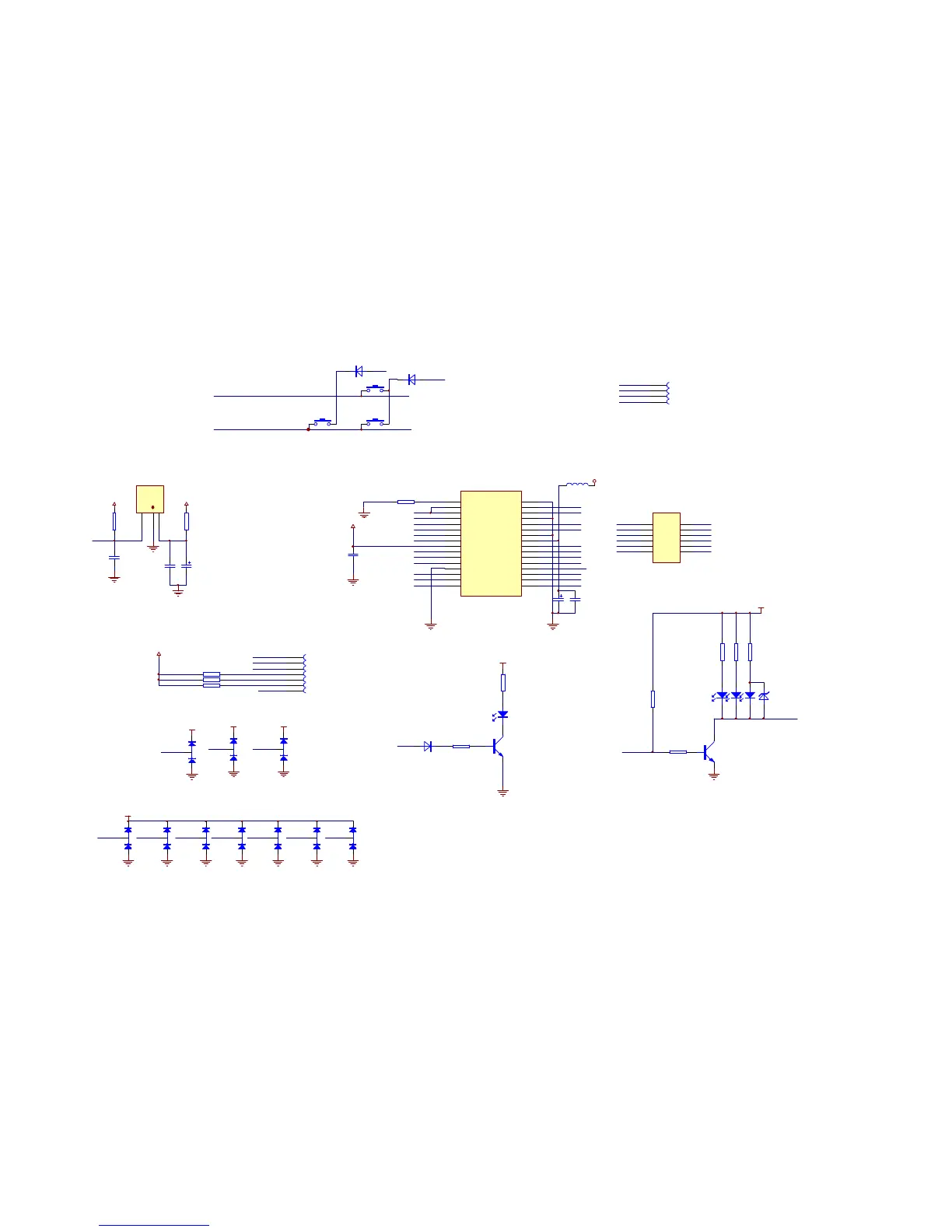
5.2.2 KEY SCAN Board

Table of Contents

Related product manuals