EasyManua.ls Logo

Blastrac 500 E Global - Page 82

Blastrac 500 E Global
108 pages
Print Icon
To Next Page IconTo Next Page
To Next Page IconTo Next Page
To Previous Page IconTo Previous Page
To Previous Page IconTo Previous Page
Loading...
Revision
Revision
Revision
Revision
5
0
Start
Eng.
Print
Status
1
07.02.2005
RJO
07.12.2005
AsBuilt
USFEBEB.V.
500SBUL
2 3 4
MainVoltage
5 6
Arch.nr.
Draw.nr.
PJ05.02566T1A
PJ05.02566T1A
7 8
Pages
=
+
13
Page
9
7
6
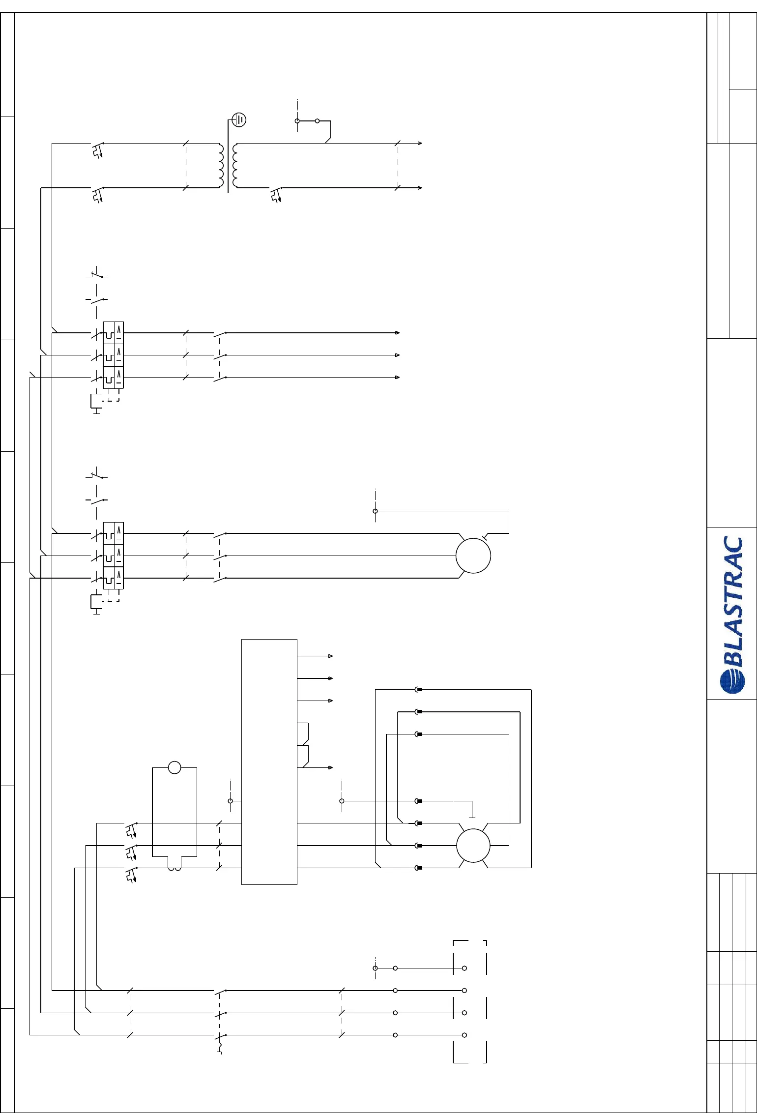
6W1
2x6mm²
1
63A
6QM1
2
1
4
3
6
5
2
10mm²
X0 L1
L1
Supply
400V50Hz.
3
4
L2
L2
5
6
L3
L3
¤
PE
PE
6U1
150
C37NBR
C40A
6F1
9.7
1
3
5
2
4
6
15
6mm²
L1
U
16
CON3 1
M
3~
6M2
U1
W2
V1
U2
W1
V2
Blaster
18,5kW36A
17
6T1
18
19
L2
V
20
2
21
L3
W
22
3
¤
¤
¤
PE
PE
A
6P1
1
2
A1
25
9.6/ A1
25
IN2
25
6
13
4
1
14
26
9.7/ 14
5
3
A2
33
9.6/ A2
5
IN1
28
9.7/ IN1
4,06,3A
6Q1
1
2
3
4
5
6
8
1,5mm²
9KM1
9.2
1
2
9
M
3~
6M1
U V W
PE
Fan
2,2kW4,8A
10
3
4
11
12
5
6
13
¤
9.2
13
14
21
22
2,54A
Trafo
beveiliging
6Q2
1
2
3
4
5
6
35
1,5mm²
9KM2
9.3
1
2
56
7.0/ 9KM2L1
38
3
4
59
7.0/ 9KM2L2
41
5
6
62
7.0/ 9KM2L3
9.3
13
14
21
22
3
C6A
6F2
1
2
3
4
29
1,5mm²
250VA
6T2
400V
24V
0V
0
30
C10A
6F3
1
2
31
1mm²
9.0/ 24VACA
5
32
33
9.0/ 24VACB
¤
¤

Table of Contents

Related product manuals