EasyManua.ls Logo

Bosch DCN Next Generation - Page 159

Bosch DCN Next Generation
290 pages
Print Icon
To Next Page IconTo Next Page
To Next Page IconTo Next Page
To Previous Page IconTo Previous Page
To Previous Page IconTo Previous Page
Loading...
VC+
D00
D01
D02
D03
D04
D05
D06
D07
GND
VC+
D08
D09
D10
D11
D12
D13
D14
D15
GND
External On PCB
+
_
V 50 V(DC)
+
_
V 50 V(DC)
I 125 mA
I 125 mA
I 125 mA
Reserved
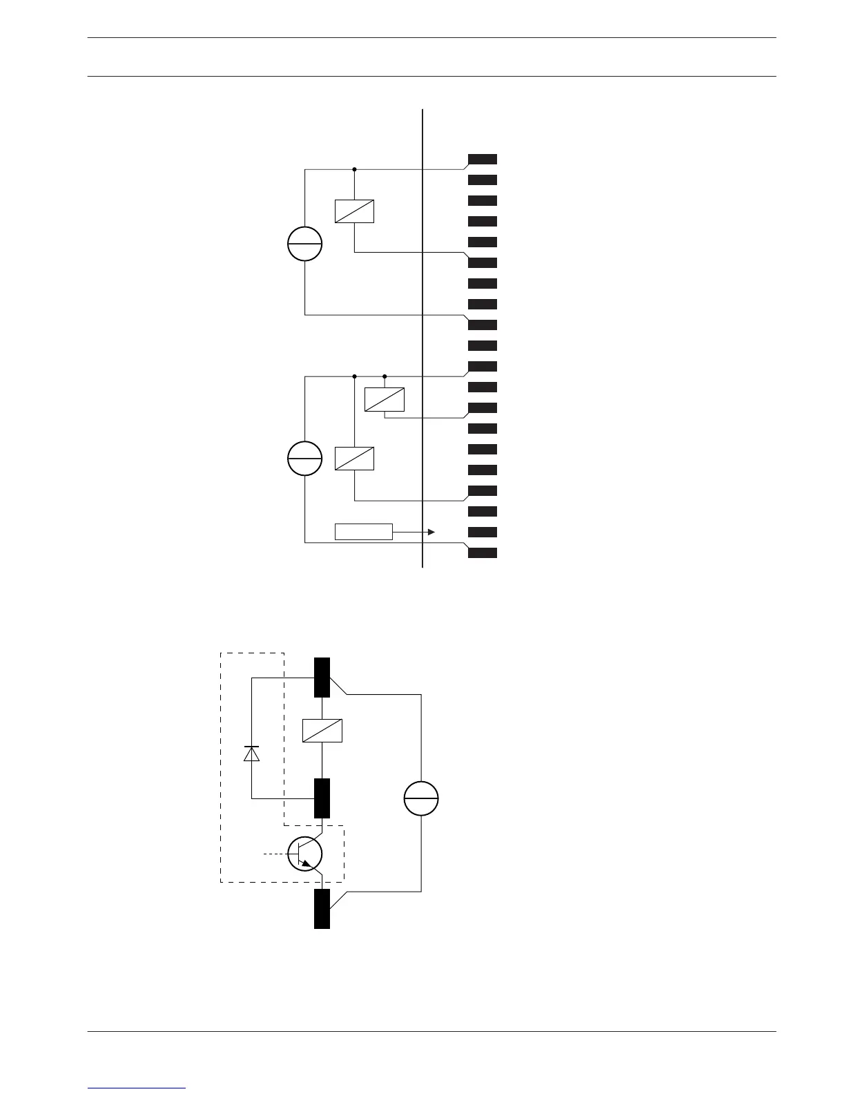
Figure 6.63: Parallel outputs
Refer to the figure for a circuit diagram to connect the parallel inputs.
On PCB
+
_
VC+
D00..D07
D08..D15
I 125 mA
GND
V 50 V(DC)
Figure 6.64: Circuit diagram
Conference System
Connection | en 159
Bosch Security Systems B.V. Operation Manual 2013.11 | V2.0 | DCN-NG_OM_V4.x

Other manuals for Bosch DCN Next Generation

Related product manuals