EasyManua.ls Logo

BOXER KING 5600 - Page 47

Default Icon
140 pages
Print Icon
To Next Page IconTo Next Page
To Next Page IconTo Next Page
To Previous Page IconTo Previous Page
To Previous Page IconTo Previous Page
Loading...
Service Manual 04/2010 Rev.B
47
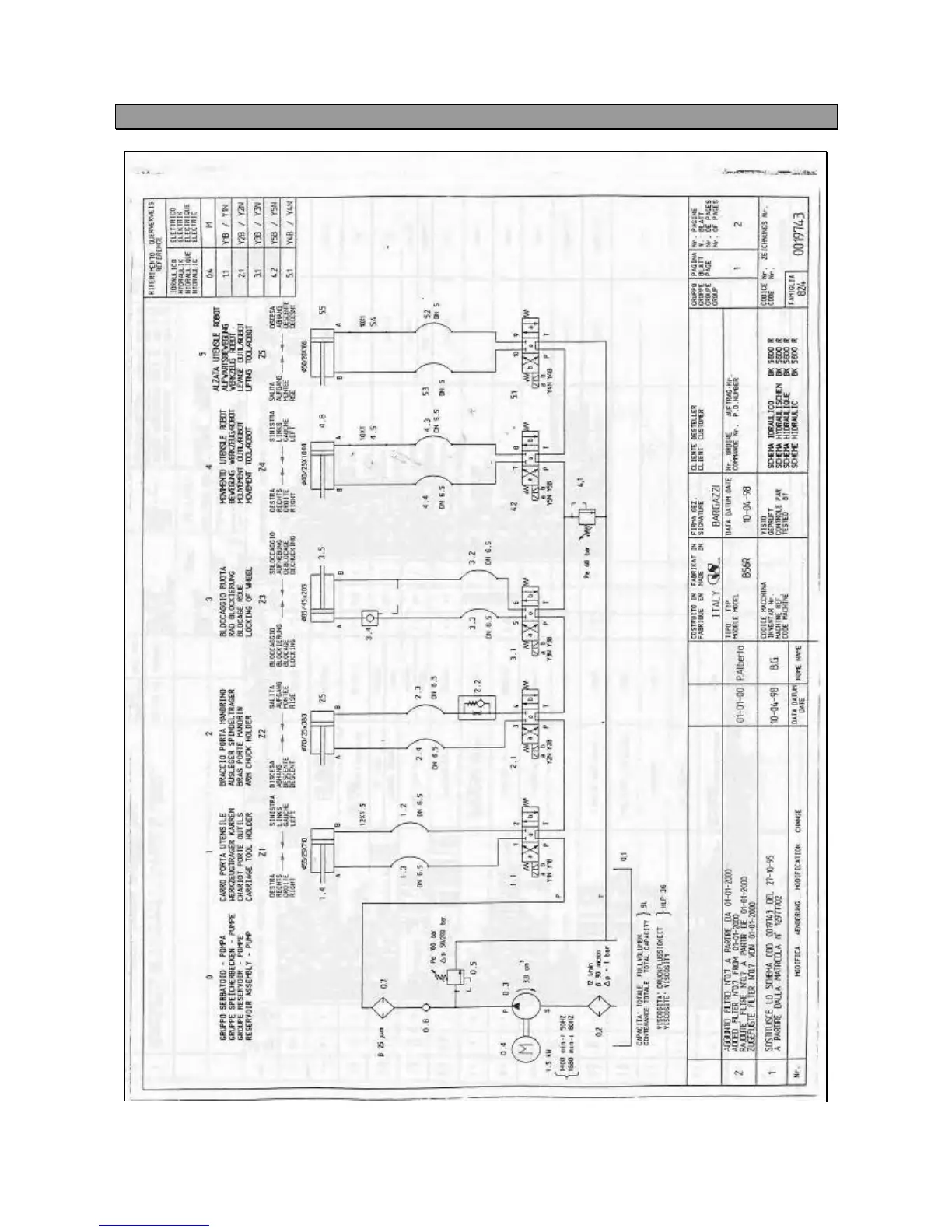
3.8 HYDRAULIC DIAGRAM FOR MACHINE NON CE KING 5600R
Fig.54

Table of Contents

Related product manuals