EasyManua.ls Logo

BrainBee multigas 8500 - CAP. 11 - REFRIGERANT FLUID CIRCUIT; 11.1 REFRIGERANT FLUID CIRCUIT

BrainBee multigas 8500
78 pages
Print Icon
To Next Page IconTo Next Page
To Next Page IconTo Next Page
To Previous Page IconTo Previous Page
To Previous Page IconTo Previous Page
Loading...
ENGLISH 50 / 78 CAP. 11 - REFRIGERANT FLUID CIRCUIT
MULTIGAS 85
00
CAP. 11 - REFRIGERANT FLUID CIRCUIT
11.1 REFRIGERANT FLUID CIRCUIT
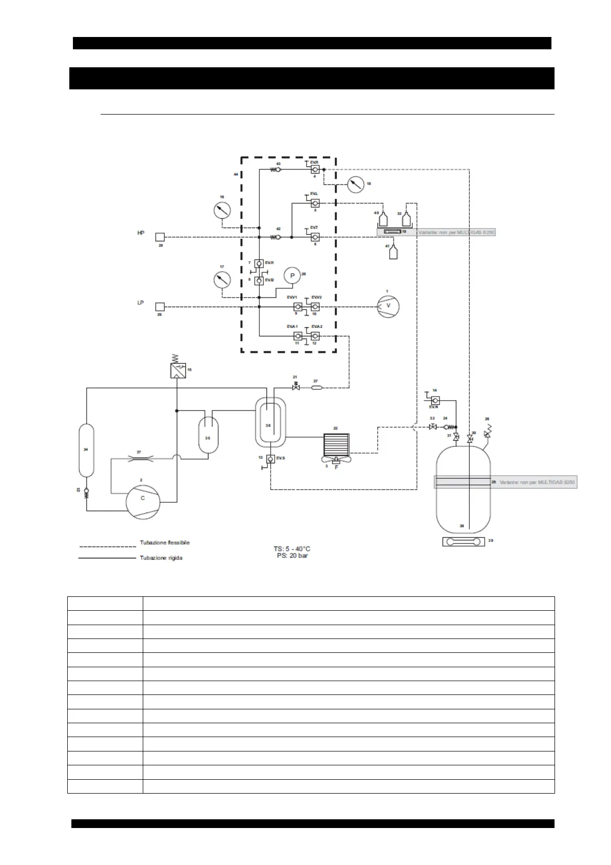
The chart of the refrigerant fluid circuit of MULTIGAS 8500 is reported as follows.
1 Vacuum pump
2 Compressor
3 Capacitor fan
4 Refrigerant charge solenoid valve
5 New oil injection solenoid valve
6 Tracer injection solenoid valve
7-8 Interception HP-LP solenoid valves pair
9-10 Vacuum solenoid valves pair
11-12 Refrigerant absorption solenoid valves pair
13 Exhausted oil discharge solenoid valve
14 Non condensable gases vent solenoid valve
15 Compressor delivery high pressure safety pressure switch
16 HP branch pressure gauge
17 LP branch pressure gauge
Vessel
gauge
1
2
3
4
5
6
7
8
9
10
11
12
13
14
15
16
17
18
19
20
21
22
23
24
25
26
27
28
29
30
31
32
33
34
35
36
37
38
39
40
41
42
43

Table of Contents

Related product manuals