EasyManua.ls Logo

BrainBee multigas 8500 - 11.2 OPERATIONAL CYCLES

BrainBee multigas 8500
78 pages
Print Icon
To Next Page IconTo Next Page
To Next Page IconTo Next Page
To Previous Page IconTo Previous Page
To Previous Page IconTo Previous Page
Loading...
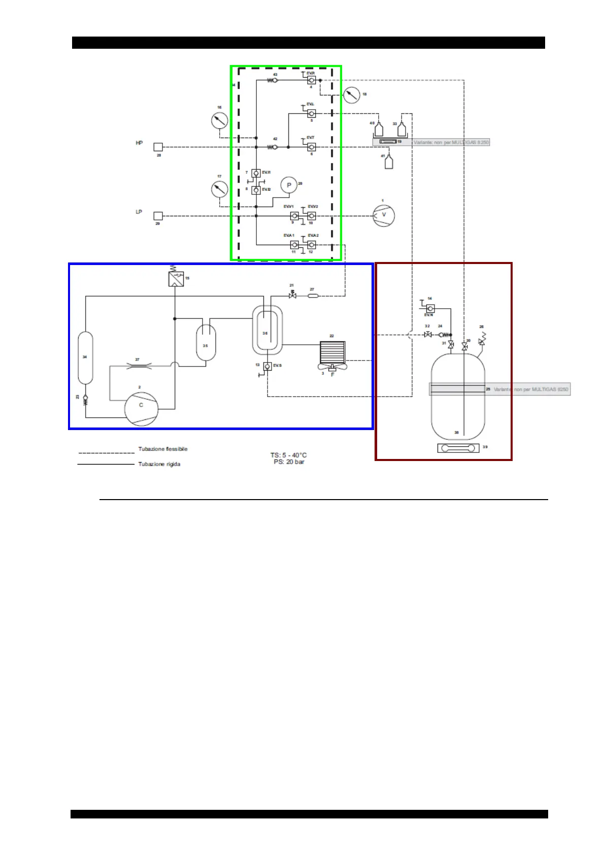
ENGLISH 52 / 78 CAP. 11 - REFRIGERANT FLUID CIRCUIT
MULTIGAS 85
00
11.2 OPERATIONAL CYCLES
The equipment enables, with a single series of operations, to recover and recycle the refrigerant
fluids without dispersions in the environment, also removing humidity and various deposits
contained in the oil from the A/C system. In fact, inside the equipment there is an
evaporator/separator through which oil and other impurities are removed from the refrigerant
fluid recovered from the A/C system, then collected in a suitable container. The fluid is then
filtered and re-injected, perfectly recycled, inside the tank in the equipment. Through the
equipment it is also possible to carry out some A/C system functioning and capacity tests.

Table of Contents

Related product manuals